EasyManua.ls Logo

Fral FACSW51 - Schema Elettrico; Wiring Diagram; Elektrisches Diagramm; Diagramme Electrique

Fral FACSW51
Print Icon
To Next Page IconTo Next Page
To Next Page IconTo Next Page
To Previous Page IconTo Previous Page
To Previous Page IconTo Previous Page
Loading...
FR
M.FACSW51-03 Multilanguage 23/11/2019
58
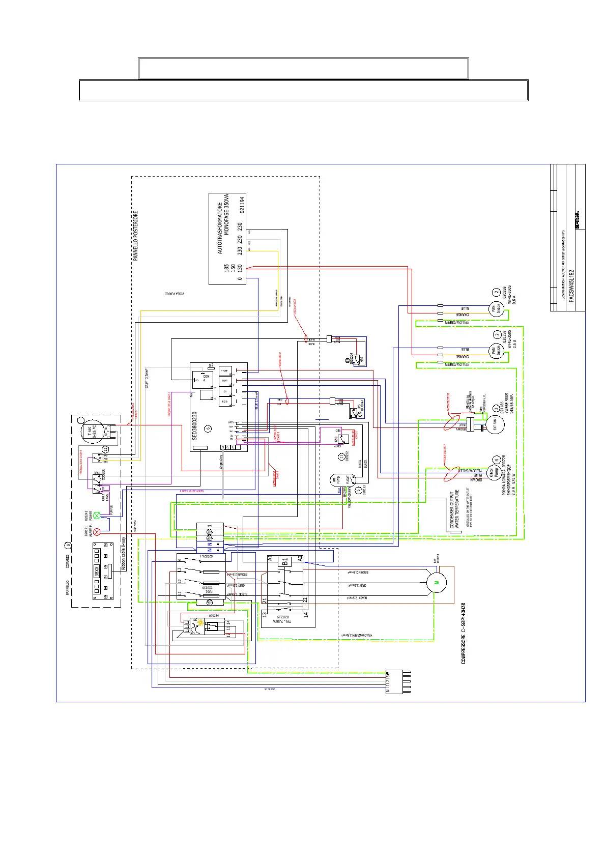
SCHEMA ELETTRICO / WIRING DIAGRAM/
ELEKTRISCHES DIAGRAMM / DIAGRAMME ELECTRIQUE
REV. DATA/DATE DES CRIZIONE MODIFICA/MODIFICATION DESCRIPTION ESEGUITO DA VERIFICATO DA
00
22/11/2019 PRIMA EMISSIONE MOLETTA M. GASPARINI A.
IL PRESENTE DISEGNO É DI PROPRIETA' DELLA FRAL s.r.l. NON PUÒ ESSERE RIPRODOTTO NÉ
TRASMESSO A TERZI SENZA APPROVAZIONE SCRITTA.
THIS DRAWING IS PROPERTY OF FRAL s.r.l. IT CANNOT BE REPRODUCED OR TRANSMITTED TO
A THIRD PARTY WITHOUT WRI TTEN APPROVAL.
FRAL s.r.l. Via dell'industria e dell'artigianato 22/c 35010
Carmignano di Brenta (PD) IT
DESCRIZIONE / DESCRIPTION
COD.

Related product manuals