EasyManua.ls Logo

Fral FDKA100.1 - Electric Diagram

Fral FDKA100.1
12 pages
Print Icon
To Next Page IconTo Next Page
To Next Page IconTo Next Page
To Previous Page IconTo Previous Page
To Previous Page IconTo Previous Page
Loading...
8
M.FDKA100-03 26/09/2017
M.FDKA100.1-03 26/09/2017
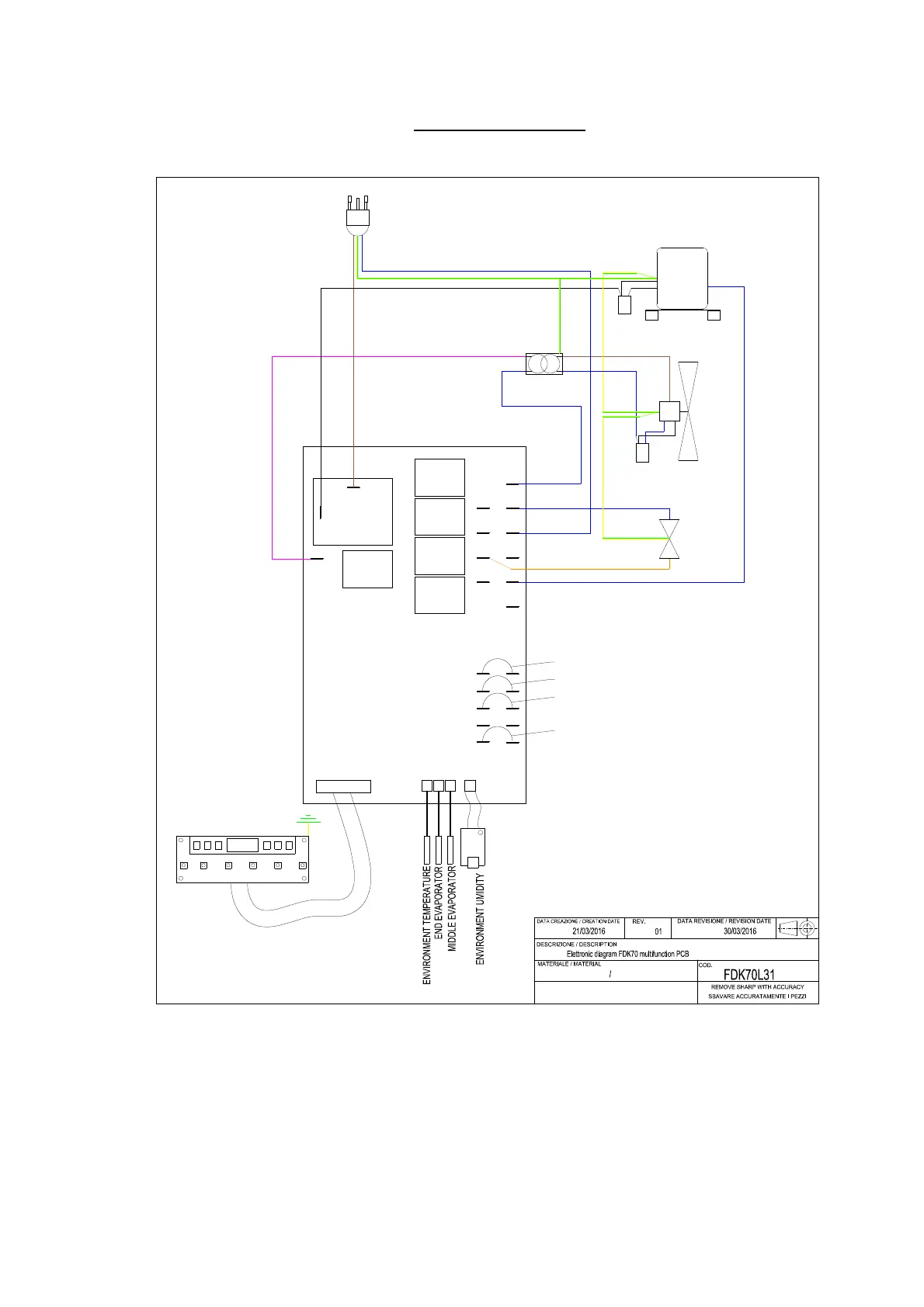
8. ELECTRIC DIAGRAM
COM
F PUMP
FAN
FLOAT
HPS
LPS
COMPRESSOR
PURPLE
ORANGE
WHITE
BROWN
BLUE
BLUE
FAN
SOLEDOID VALVE
ELECTRICAL BRIDGE 2
ELECTRICAL BRIDGE 3
BLU-BLUE
R.G.A
E.V
PUMP
T1T2
T3
0105
UR
BLUE
POWER SUPPLY
115V-60HZ
PCB 115V-60HZ
TRANSFORMER
115V-220V-60HZ
3x1,5mm
CAPACITOR
40uF
CAPACITOR
1,5uF
BLUE
BLACK
BROWN
ELECTRICAL BRIDGE 1
ELECTRICAL BRIDGE 5
RC
GA

Related product manuals