EasyManua.ls Logo

FREEWAY Transactive Xtra 200 - Technical Specifications, Maintenance, and Support; Dimensions and Lifting Range

Default Icon
48 pages
Print Icon
To Next Page IconTo Next Page
To Next Page IconTo Next Page
To Previous Page IconTo Previous Page
To Previous Page IconTo Previous Page
Loading...
999075 Revision B Page | 32 of 48
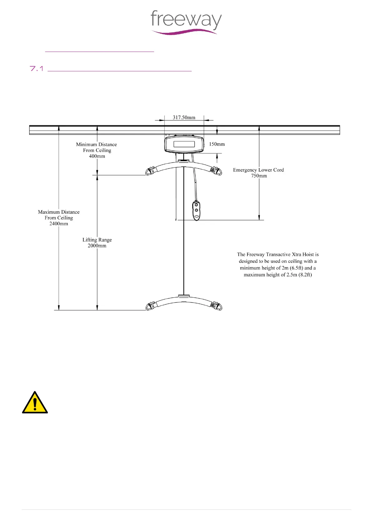
7.0 Technical Specification
Hoist Dimensions and Lifting Range
All dimensions are shown in millimetres
The diagram above (Figure 44) shows the relevant lifting ranges and dimensional sizes of the Hoist. The direction of travel can
only be made within the boundaries of where the Hoist is in the track system.
There are no necessary modifications required for the device to perform its intended use. However, should the
device or the installed system require modification, please consult your local Prism dealer to arrange a date and
time to assess the required changes to the system.
If this equipment is modified, appropriate inspection and testing must be conducted to ensure continued safe use of the
equipment.
Figure 44

Related product manuals