EasyManua.ls Logo

Friedrich KHM18A34A - Page 85

Friedrich KHM18A34A
91 pages
Print Icon
To Next Page IconTo Next Page
To Next Page IconTo Next Page
To Previous Page IconTo Previous Page
To Previous Page IconTo Previous Page
Loading...
85 PB
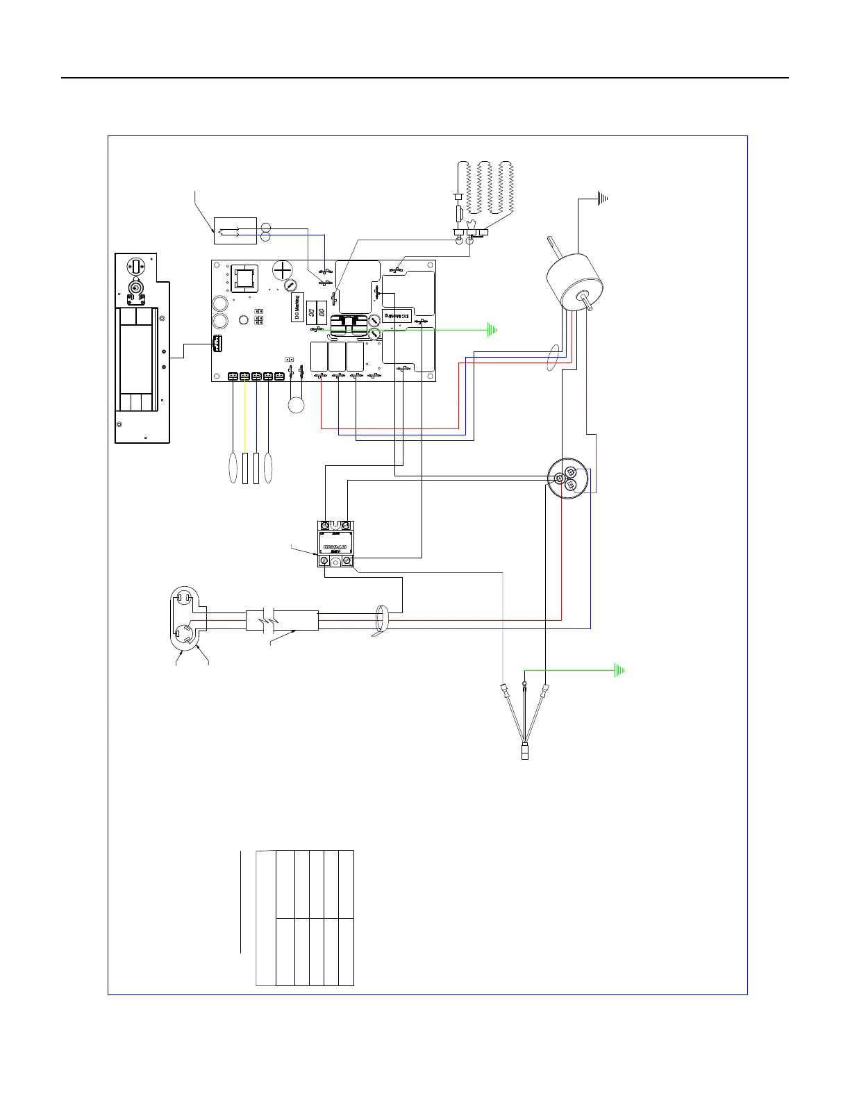
R
S
C
-
F
-
-
F
-
-
F
-
R
E
D
B
L
U
E
B
L
A
C
K
F
A
N
H
E
R
M
c
H
P
S
HEATER
RELAY
FAN 1
RELAY
FAN 2
RELAY
FAN 3
RELAY
RV SWITCH
RELAY BOARD
COIL
SOLENOID
TERMINAL DETAIL
COMPRESSOR WIRING NOTE:
COMPRESSOR COMMON-START- RUN TERMINAL POSITION
COULD VARY. WIRING SHOWN IS FOR OPERATOR INFORMATIONAL
POINT TO POINT WIRING PURPOSES. REFER TO THE COMPRESSOR
SPECIFICATION AND/OR THE TERMINAL COVER AND/OR TERMINAL
GASKET FOR SPECIFIED COMMON, START, & RUN TERMINAL LOCATION.
OLP JUMPER
IF REQ'D
COMPRESSOR
HARNESS COMPR
WIRE
ASSY PANEL FRONT
RAC GEN IV-USER INTERFACE
TO
DISPLAY
Table 1
SENSORS
INDOOR COIL
(YELLOW)
OUTDOOR COIL
(BLUE)
DISHCHARGE AIR
(BLACK)
AMBIENT AIR
(WHITE)
RED
BLUE
TO INNERWALL/
MOTOR MOUNT
MOTOR
BROWN
WHITE
WHITE
G
R
E
E
N
WHITE
BLACK
RED
BLUE
BLACK
FOR SENSOR
CONNECTIONS
SEE TABLE 1 FOR COLOR
CODE PIN CONNECTIONS
ELECTRONIC CONTROL
RED
BLUE
BLACK
B
L
U
E
B
L
A
C
K
L1
N/L2
G
R
E
E
N
AMB TEMP SENSOR
ID COIL TEMP SENSOR
OD COIL TEMP SENSOR
DISCH AIR TEMP SENSOR
HIGH PRESSURE
SWITCH/JUMPER
POWER CORD
TO CHASSIS
B
L
U
E
B
L
A
C
K
BLACK
HEATER
COMP
RELAY
HEATER
RELAY
R
E
D
R
E
D
W
H
I
T
E
RELAY SSR
COLOR
USED ON MODEL
KHL24A35
4.0 KW HEATING ELEMENT
11.9 OHMS COLD RESISTANCE
WIRING DIAGRAMS
Figure 810 (Wiring Diagrams)

Table of Contents

Related product manuals