EasyManua.ls Logo

Friedrich MR36Y3F - Outdoor Unit Circuit Diagram

Friedrich MR36Y3F
25 pages
Print Icon
To Next Page IconTo Next Page
To Next Page IconTo Next Page
To Previous Page IconTo Previous Page
To Previous Page IconTo Previous Page
Loading...
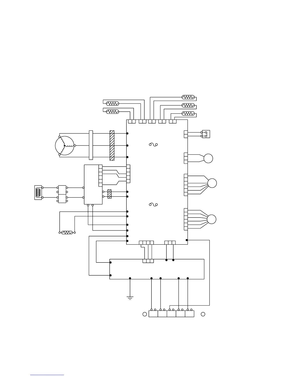
OUTDOOR UNIT
ORANGE
YELLOW
WHITE
BLUE
BROWN
RED
BLUE
YELLOW
WHITE
BLACK
RED
BLACK
BLACK
RED
RED
BLUE
BROWN
BLACK
BLACK
BROWN
RED
GREEN
BLACK
BLACK
WHITE
WHITE
WHITE
BROWN
BLACK
BLACK
RED
BLACK
WHITE
ORANGE
ORANGE
BLACK
RED
YELLOW
YELLOW
BLUE
ORANGE
RED
BROWN
BROWN
WHITE
BLACK
BLACK
BLACK
BLACK
REDRED
WHITE WHITE
1
2
3
4
5
6
1
2
3
4
5
6
1
2
3
4
5
1
2
3
4
5
6
1
2
3
1
2
1
2
1
2
1
2
1
2
1
2
1
2
34
1
2
1
2
3
3
CN1 CN34
CN1
W9 W8
W200
TM102
TM101 W3
W6
W7 W1 W2
W11
W10
W17
W16
W22
W21
W13
W12
CN27
CN802
CN30
CN407
W303
W304
W305
CN37
CN21 CN22 CN23
CN26
CN25
L1
L2
P
N
W
V
U
+
-
V
W
U
G
2(N)1
3LN
EARTH EARTH
G
EV
POSISTOR
EMI FILTER
2T
CHOKE COIL
TERMINAL
COMPRESSOR
EMI FILTER
1T
CONNECTOR
PIPE THERMISTOR
DISCHARGE THERMISTOR
ACTIVE
FILTER
MODULE
FUSE
F4 T 5A-250V
FUSE
F2 T 3.15A-250V
CONTROLLER
PCB ASSY
POWER SUPPLY PCB ASSY
FM
4WV
EXPANSION VALVE COIL
FAN MOTOR
SOLENOID COIL
HIGH PRESSURE SWITCH
OUTDOOR THERMISTOR
COMPRESSOR THERMISTOR
HEAT SINK THERMISTOR
2006.02.28 6

Related product manuals