EasyManua.ls Logo

Friedrich Wallmaster WCT08A10A - WIRING DIAGRAMS; Wiring Diagram: Cool Only Models

Friedrich Wallmaster WCT08A10A
77 pages
Print Icon
To Next Page IconTo Next Page
To Next Page IconTo Next Page
To Previous Page IconTo Previous Page
To Previous Page IconTo Previous Page
Loading...
70 PB
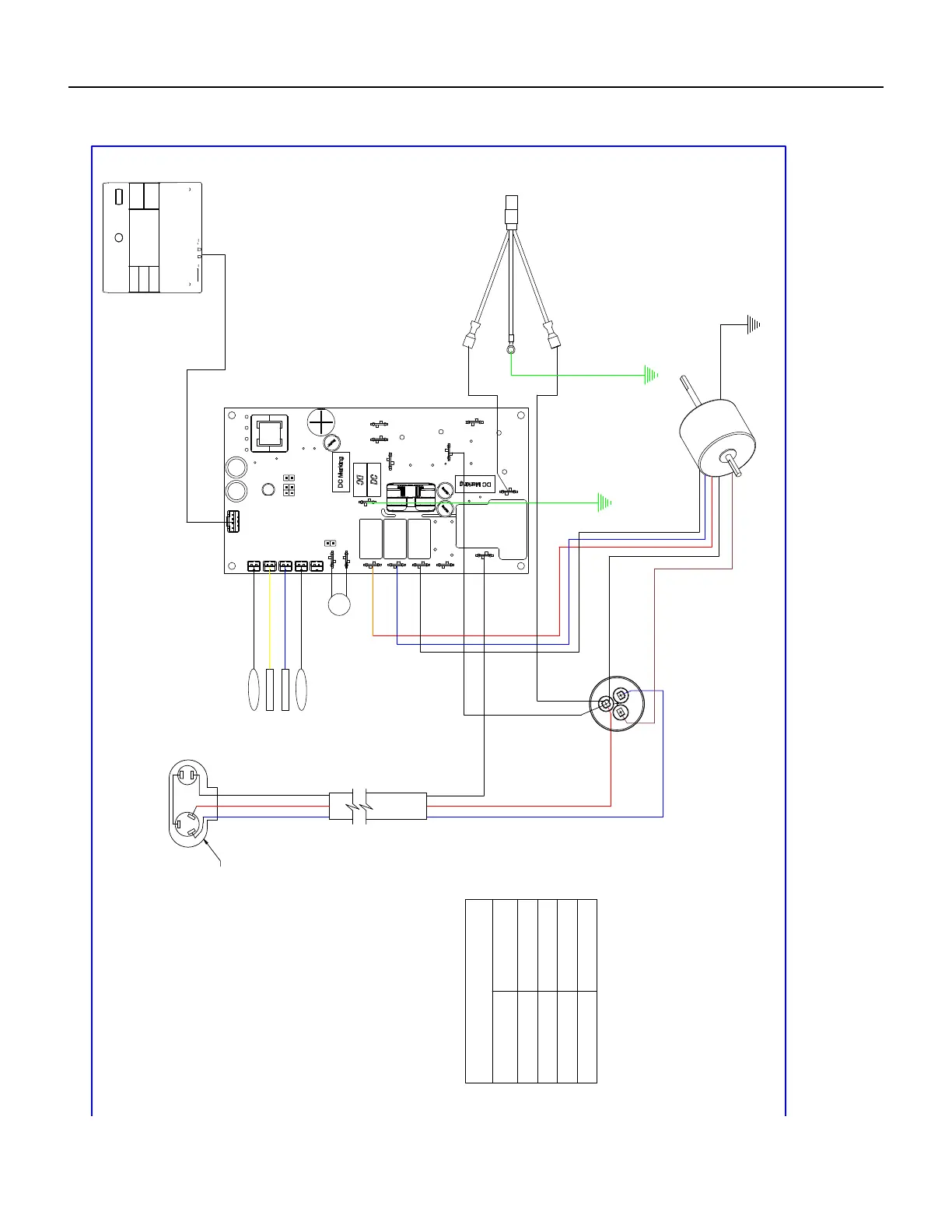
WIRING DIAGRAMS
Figure 801 (Wiring Diagrams)
R
S
C
-
F
-
-
F
-
-
F
-
R
E
D
B
L
U
E
B
L
A
C
K
F
A
N
H
E
R
M
c
H
P
S
COMP
RELAY
FAN 1
RELAY
FAN 2
RELAY
FAN 3
RELAY
FAN 4
RELAY
RV SWITCH
RELAY BOARD
BLACK
COMPRESSOR
ASSY PANEL FRONT
RAC GEN IV-USER INTERFACE
Table 1
SENSORS
SEQUENCE
INDOOR COIL
YELLOW
OUTDOOR COIL
BLUE
DISHCHARGE AIR
BLACK
AMBIENT AIR
WHITE
RED
BLUE
TO INNERWALL/
MOTOR MOUNT
MOTOR
BROWN
WHITE
WHITE
G
R
E
E
N
WHITE
BLACK
RED
BLUE
BLACK
ELECTRONIC CONTROL
RED
BLUE
BLACK
L1
N/L2
G
R
E
E
N
AMB TEMP SENSOR
ID COIL TEMP SENSOR
OD COIL TEMP SENSOR
DISCH AIR TEMP SENSOR
HIGH PRESSURE
SWITCH/JUMPER
POWER CORD
TO CHASSIS
USED ON MODEL
WCT08A10A, WCT10A10A,
WCT12A10A, WCT10A30A,
WCT12A30A, WCT16A30A

Table of Contents

Related product manuals