EasyManua.ls Logo

Frigidaire EFWC498-COM - Wiring Diagram

Frigidaire EFWC498-COM
11 pages
Print Icon
To Next Page IconTo Next Page
To Next Page IconTo Next Page
To Previous Page IconTo Previous Page
To Previous Page IconTo Previous Page
Loading...
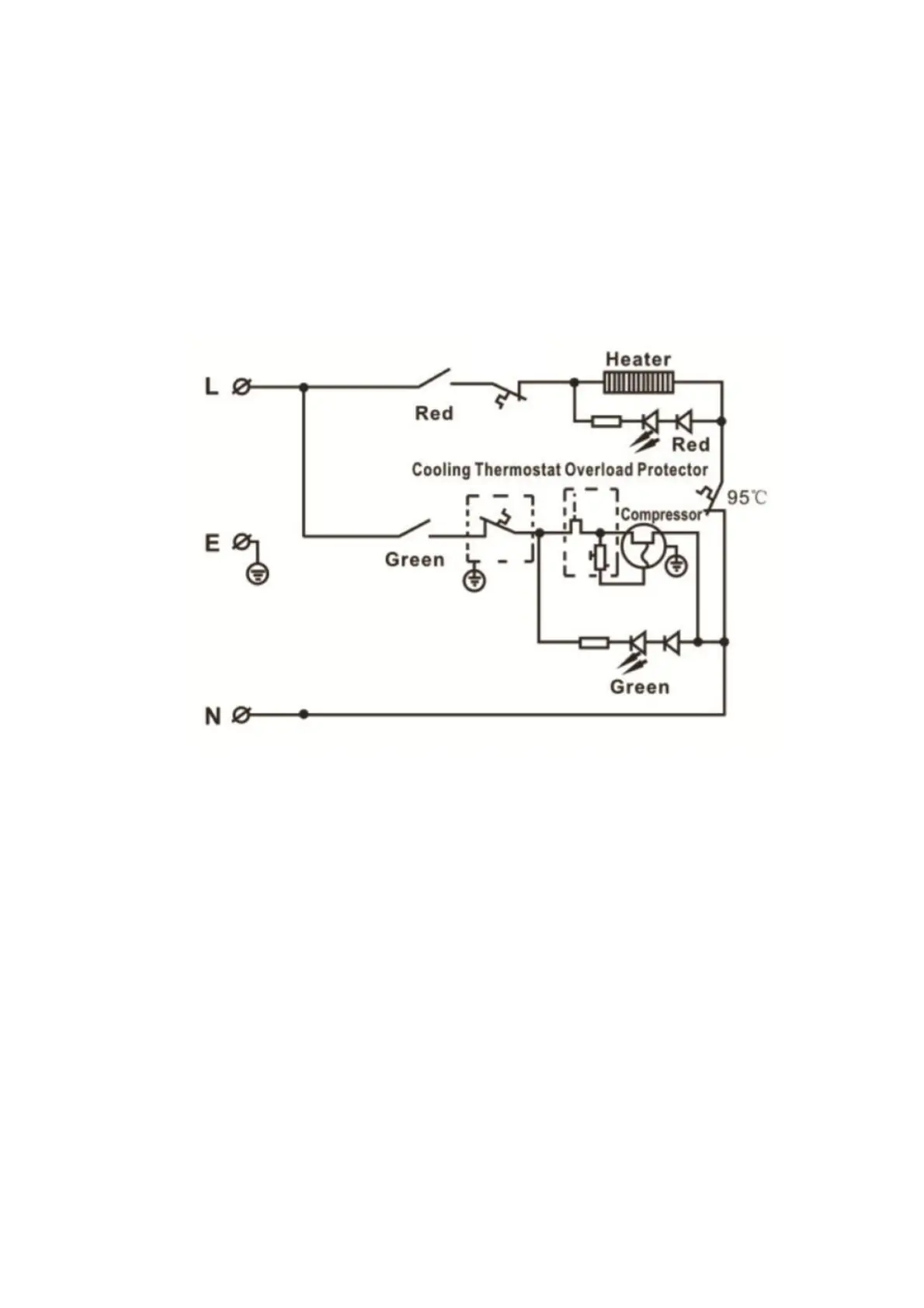
WIRING DIAGRAM
86

Related product manuals