EasyManua.ls Logo

Frigidaire FEB30T7DCB - Timed Bake Operation; Delayed Start Bake Operation; Adjusting Temperature or Bake Time

Frigidaire FEB30T7DCB
20 pages
Print Icon
To Next Page IconTo Next Page
To Next Page IconTo Next Page
To Previous Page IconTo Previous Page
To Previous Page IconTo Previous Page
Loading...
4
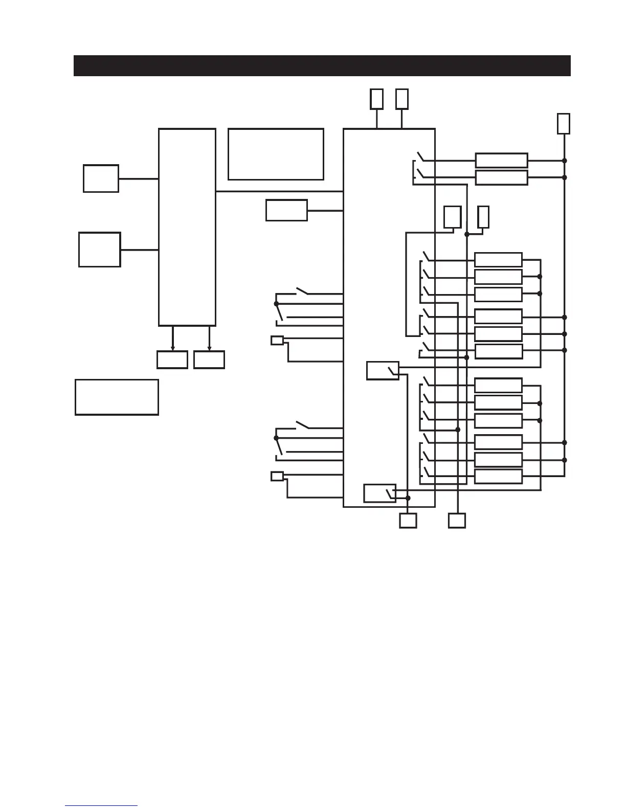
TERMINAL BOARD CONNECTORS
KEYBOARD
*Micro
Programming
P3 (2x17 pins)
P4 (6 pins)
Display
Board
Flash
and
eeprom
Display Beeper
*Micro
Programming
P1 (9 pins) J1 (9 pins)
P29 (6)
P27-5
P27-3
P27-6
P27-7
P27-10
P27-9
RTD Common 1
RTD 1
Door 1 Unlock
Door 1 Lock
Door Lock 1 Common
Door 1 Position
RTD Common 2
RTD 2
Door 2 Unlock
Door 2 Lock
Door Lock 2 Common
Door 2 Position
P28-4
P28-3
P28-6
P28-7
P28-8
P28-9
L 2
L 1
K8
K1
P8
P25
P31-2
P31-1
P33-4
P18
P11
P10
P9
P1
P24
Lower Conv Fan
(K15)
Lower Cooling Fan
(K14)
Upper Conv Fan
(K12)
Lower Conv Ring
(K11)
Lower Bake
(K10)
Lower Broil
(K9)
P33-2
P33-1
P32-3
P17
P4
P3
P2
OR P34
P32-1
L1 L1
P33-5 OR P19
Upper Cooling Fan
(K7)
Upper Light
(K6)
Lower Light
(K5)
Upper Conv Ring
(K4)
Upper Bake
(K3)
Upper Broil
(K2)
Lower MDL (K16)
Upper MDL (K13)
P31-4
P33-7
N
Power
Board
Flash
N
L
1
P1 & J1 Pin Designations:
1- Filament 1
2- Filament 2
3- Ground
4- Vdisp
5- RS485 Comm1
6- Rs485 Comm2
7- +12V
8- Not used
9- Second PB
* Micro Programming
1 - MISO 2 - +5V
3 - SCK 4 - MOSI
5 - Reset 6 - GND
P23
P22
P20
P21
DLB
DLB

Other manuals for Frigidaire FEB30T7DCB

Related product manuals