EasyManua.ls Logo

Frigidaire FFHS2611L - Wiring Schematic Overview

Frigidaire FFHS2611L
21 pages
Print Icon
To Next Page IconTo Next Page
To Next Page IconTo Next Page
To Previous Page IconTo Previous Page
To Previous Page IconTo Previous Page
Loading...
Publication No: 5995634655 FFHS2611L
07/13 20
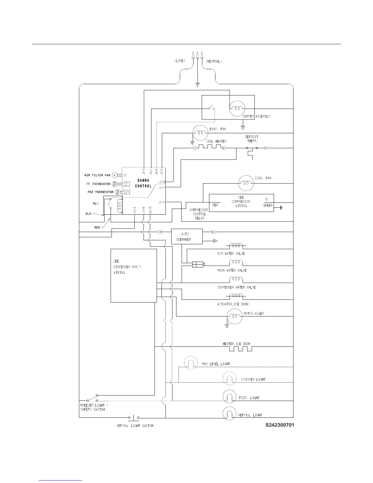
WIRING SCHEMATIC

Related product manuals