EasyManua.ls Logo

Frigidaire FGFL67D - Wiring Information; Wiring Schematic

Frigidaire FGFL67D
13 pages
Print Icon
To Next Page IconTo Next Page
To Next Page IconTo Next Page
To Previous Page IconTo Previous Page
To Previous Page IconTo Previous Page
Loading...
Publication No: 5995419917 FGFL67D
10/04 12
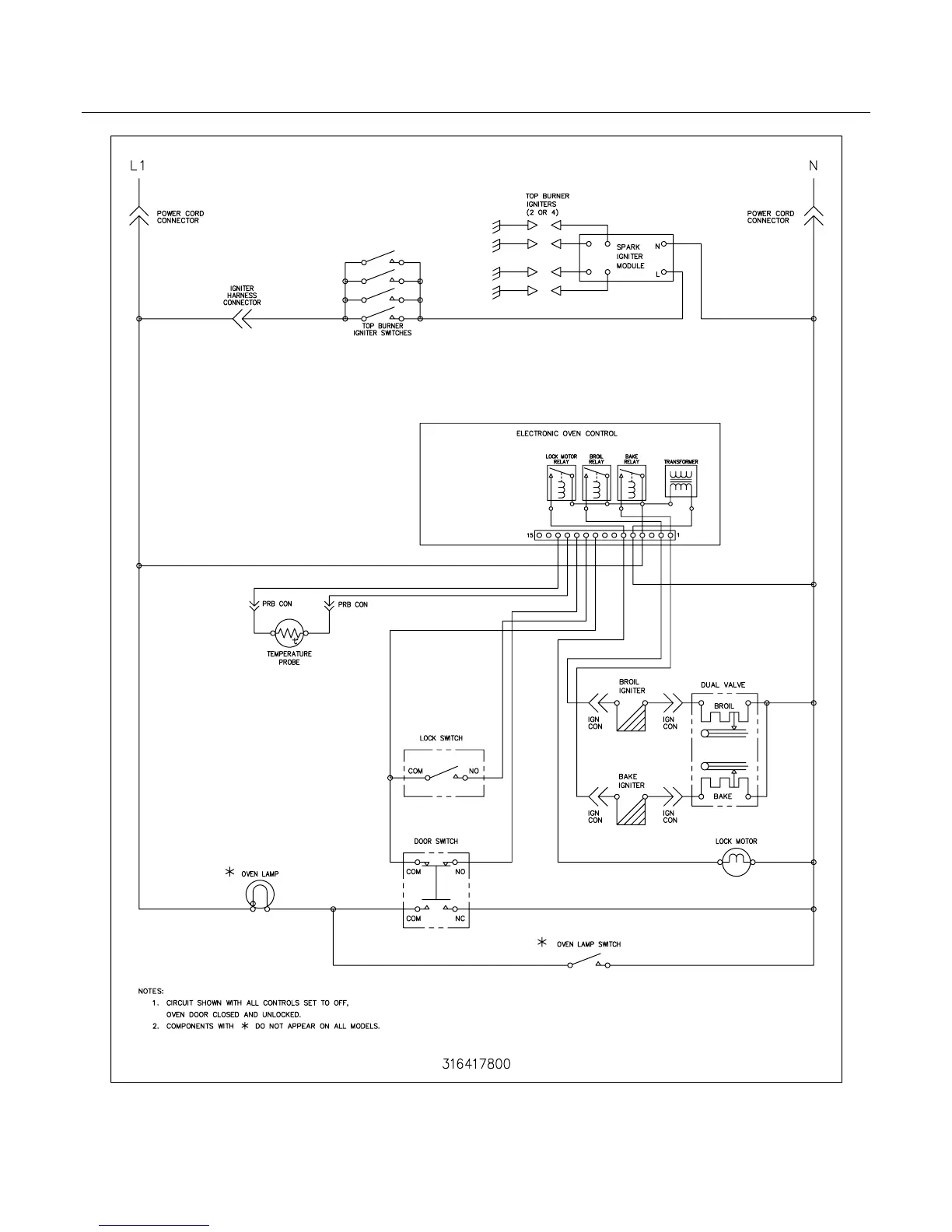
WIRING SCHEMATIC

Related product manuals