EasyManua.ls Logo

Frigidaire PLCS389CCB - Page 23

Frigidaire PLCS389CCB
28 pages
Print Icon
To Next Page IconTo Next Page
To Next Page IconTo Next Page
To Previous Page IconTo Previous Page
To Previous Page IconTo Previous Page
Loading...
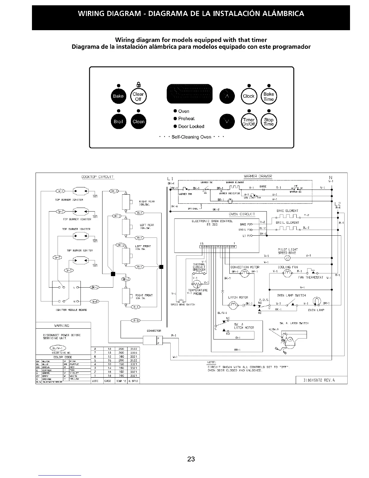
Wiring diagram for models equipped with that timer
Diagrama de la instaladbn alambrica para modelos equipado con este programador
0 Oven
Preheat
DoorLocked
* * Self-Cleaning Oven * * *
L2
R4
23

Related product manuals