EasyManua.ls Logo

Frigidaire PLHS237ZA - Page 21

Frigidaire PLHS237ZA
23 pages
Print Icon
To Next Page IconTo Next Page
To Next Page IconTo Next Page
To Previous Page IconTo Previous Page
To Previous Page IconTo Previous Page
Loading...
# = Fast-moving Parts 21 01/02
* = Non-Illustrated Parts
PLHS237ZAB3 Publication No.
5995364352
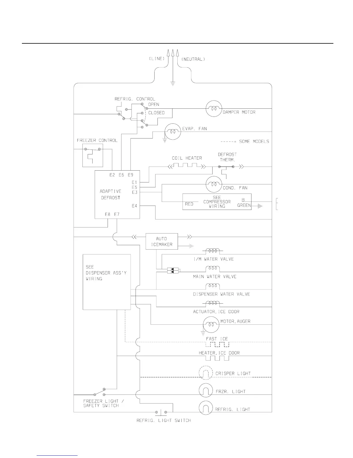
WIRING SCHEMATIC

Related product manuals