EasyManua.ls Logo

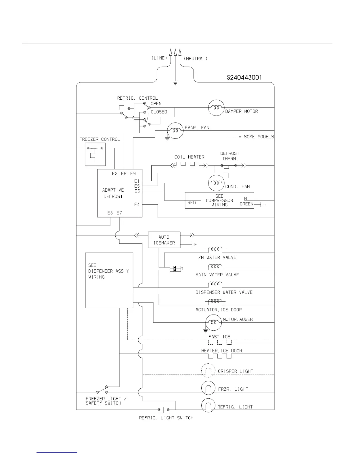
Frigidaire PLHS237ZA - Wiring Schematic

Frigidaire PLHS237ZA
23 pages
Print Icon
To Next Page IconTo Next Page
To Next Page IconTo Next Page
To Previous Page IconTo Previous Page
To Previous Page IconTo Previous Page
Loading...
01/02 20
Publication No. PLHS237ZAB0,1,2
5995364352
WIRING SCHEMATIC

Related product manuals