EasyManua.ls Logo

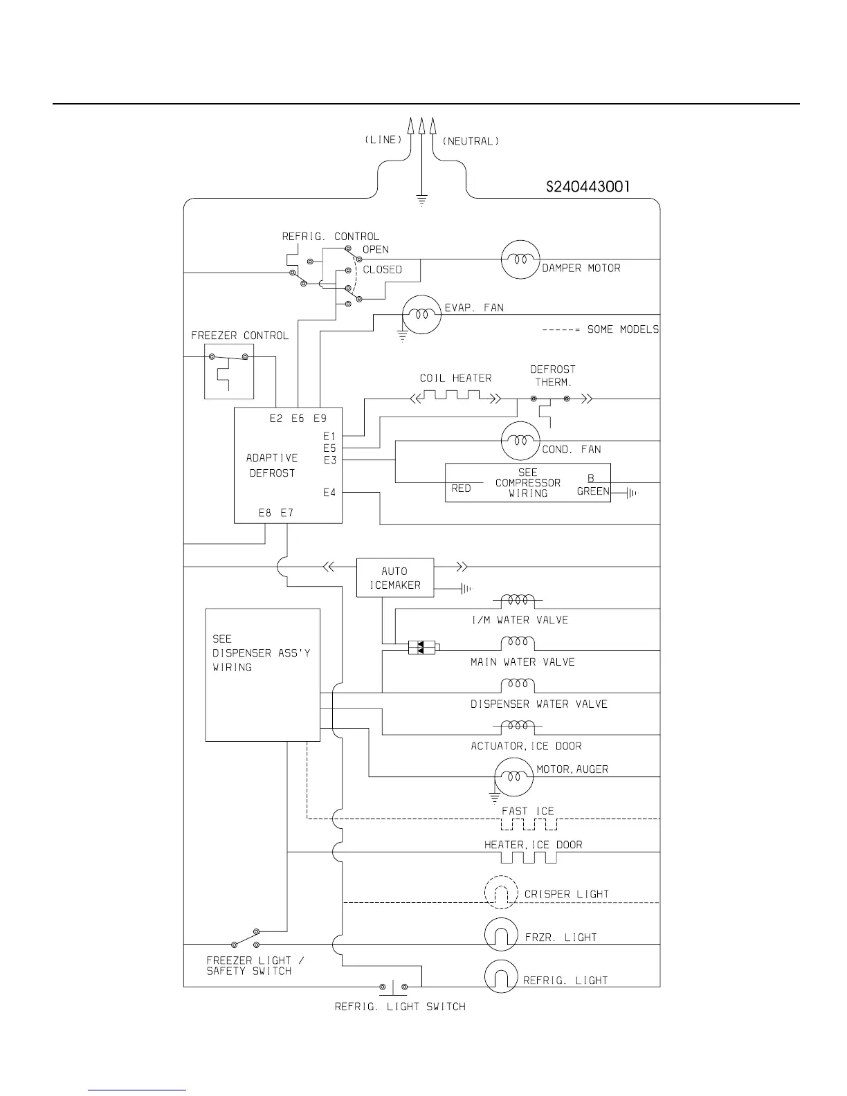
Frigidaire PLHS267ZA - Wiring Schematic; Control and Defrost Systems; Ice Maker & Dispenser; Lighting and Safety

Frigidaire PLHS267ZA
21 pages
Print Icon
To Next Page IconTo Next Page
To Next Page IconTo Next Page
To Previous Page IconTo Previous Page
To Previous Page IconTo Previous Page
Loading...
10/01 20
Publication No. PLHS267ZA
5995360574
WIRING SCHEMATIC

Related product manuals