EasyManua.ls Logo

Frontier GM1060E - DRIVELINE

Frontier GM1060E
60 pages
Print Icon
To Next Page IconTo Next Page
To Next Page IconTo Next Page
To Previous Page IconTo Previous Page
To Previous Page IconTo Previous Page
Loading...
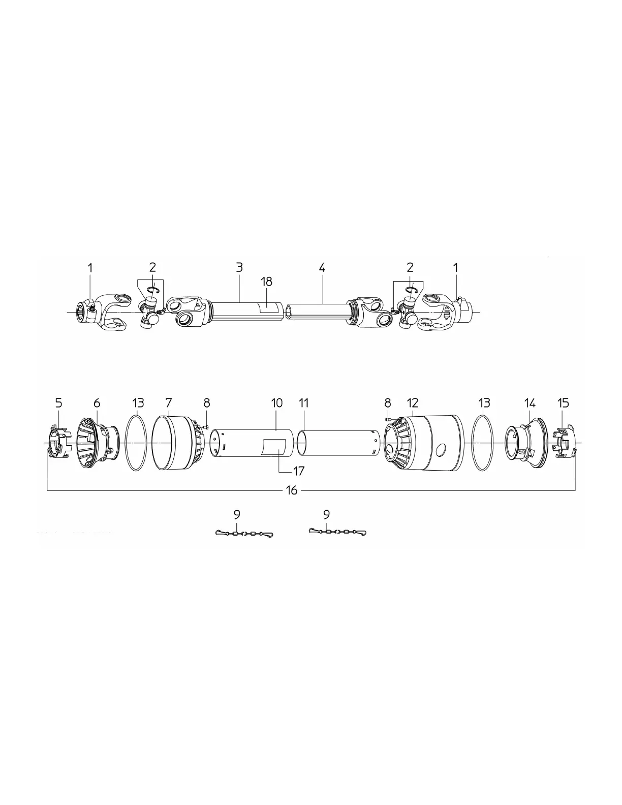
GROOMING MOWERS DRIVELINE OPERATORS MANUAL
GM1048E, GM1060E, GM1072E; #XF…276188 & BELOW
PARTS MANUAL 52 FRONTIER
04/2009

Related product manuals