EasyManua.ls Logo

FScurtis RNP75 - ELECTRICAL SCHEMATICS; 150 scfm Models Diagram; 200 to 500 scfm Models Diagram

FScurtis RNP75
16 pages
Print Icon
To Next Page IconTo Next Page
To Next Page IconTo Next Page
To Previous Page IconTo Previous Page
To Previous Page IconTo Previous Page
Loading...
11
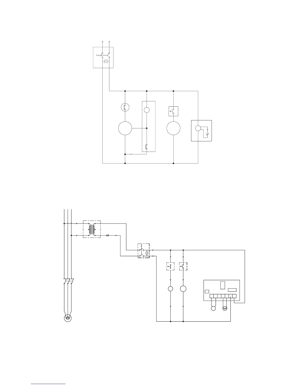
ELECTRICAL SCHEMATICS
Figure 1d
200 to 500 scfm models
Figure 1c
150 scfm models
115V/1PH/60Hz
R
ON/OFF SWITCH
WITH RUNNING LAMP
ELECTRONIC
AUTO DRAIN
VALVE
Starting
Capacitor
S
R
COMP.
1~
C
P.R-b
Potential
Relay
FAN
MOTOR
Overload
protector
(OLP)
P. R
T
F. P. S
H.P. S
* FUSE FOR
AUTO DR
SENSORELECTRO AUTO
DRAIN VALVE
* FUSE
U1
RL1
DSM
SOL
21
21
24
3
F1(2A)
ON/OFF SWITCH
WITH RUNNING LAMP
SRT
0V
R
440V
T
380V
TR 150VA
115V
0V
MC1
11
460V/3Ø/60Hz
F. P. S
31
21
24 24
1
2
3
4
5
6
7
o
o
o
o
o
o
o
R
MC1
REF. COMP.
With internal T.P
M
FAN MOTOR
With internal T.P

Related product manuals