EasyManua.ls Logo

FScurtis RNP75 - ELECTRICAL SCHEMATICS; 75 scfm Models Diagram; 100 to 125 scfm Models Diagram

FScurtis RNP75
16 pages
Print Icon
To Next Page IconTo Next Page
To Next Page IconTo Next Page
To Previous Page IconTo Previous Page
To Previous Page IconTo Previous Page
Loading...
10
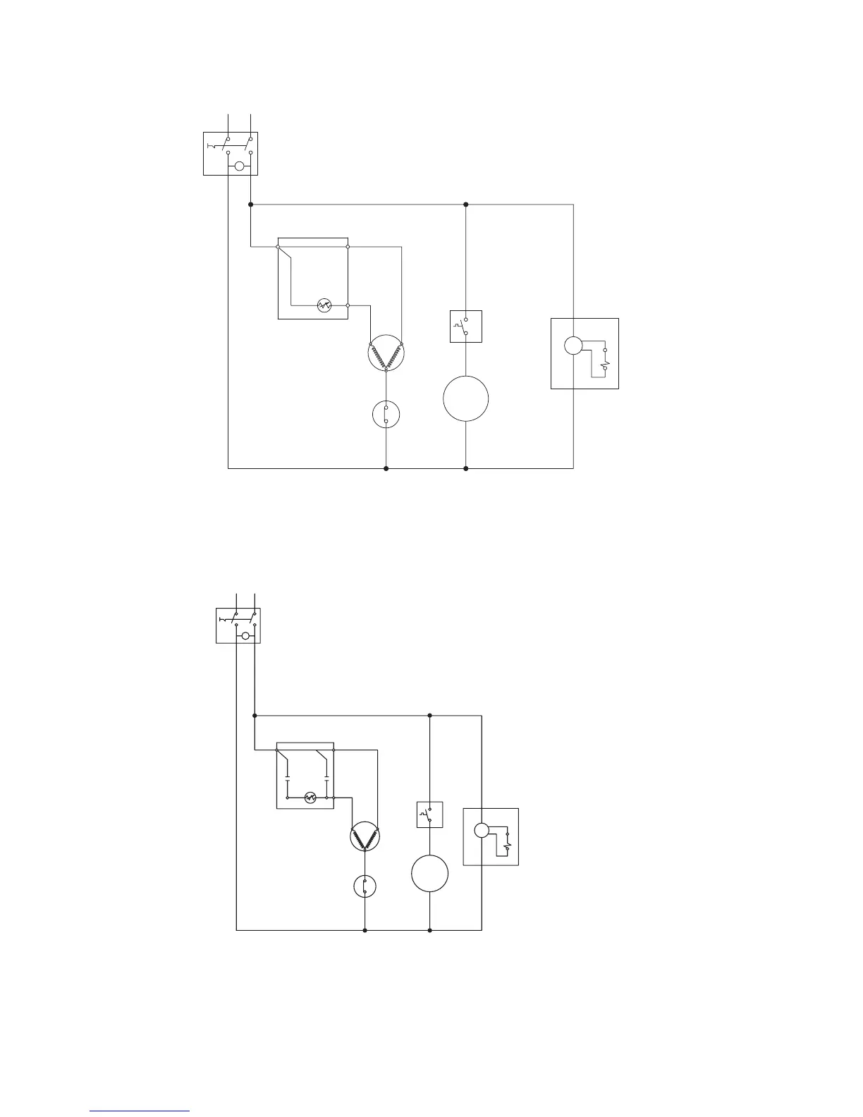
ELECTRICAL SCHEMATICS
Figure 1b
100 to 125 scfm models
115V / 1PH / 60Hz
ON/OFF SWITCH
WITH RUNNING LAMP
R
2
5
CS CR
1
3
6
PTC STARTER
F. P. S.
FAN
MOTOR
T
ELECTRONIC AUTO DRAIN VALVE
OVERLOAD
PROTECTOR
COMP.
1PH
S
M
C
Figure 1a
75 scfm models
115V/1PH/60Hz
5
6
ON/OFF SWITCH
WITH RUNNING LAMP
R
2
F. P. S
MS
C
COMP.
1PH
OVERLOAD
PROTECTOR
PTC STARTER
FAN
MOTOR
ELECTRONIC
AUTO DRAIN
VALVE
T

Related product manuals