EasyManua.ls Logo

Fujitsu General AOH9LFBC - Circuit Diagram; Indoor Unit; Outdoor Unit

Default Icon
16 pages
Print Icon
To Next Page IconTo Next Page
To Next Page IconTo Next Page
To Previous Page IconTo Previous Page
To Previous Page IconTo Previous Page
Loading...
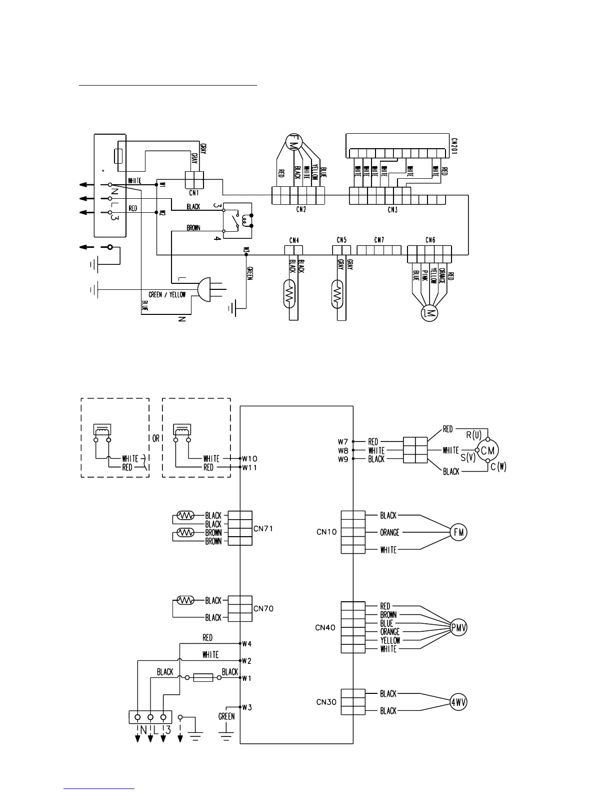
CIRCUIT DIAGRAM
INDOOR UNIT
OUTDOOR UNIT
ASH12LSBCW / AOH12LFBC
Models : ASH9LSBCW / AOH9LFBC
2005.01.31 4
Fan Motor
Stepping
Motor
Thermistor
(room temp.)
Terminal
Terminal
Fuse 250V20A
Reactor Reactor
Fan Motor
Expansion
Valve
4-Way
Valve Assy
PCB (MAIN)
Power
Relay
Compressor
Thermistor
(pipe temp.)
Test
Thermistor (pipe)
Thermistor (Discharge Pipe)
Thermistor (outdoor temp.)
Display Board
Controller PCB
Power
102 C
Thermal Fuse
1
2
3
4
5
6
1
2
3
1
2
3
1
2
3
1
2
3
1
2
3
4
5
1
2
3
4
5
1
2
3
1
2
3
1
2
3
4
1
2
3
4
1
2
3
4
5
6
1
2
3
4
5
1
2
3
4
5
1
2
1
2
1
2
3
4
5
1
2
3
4
5
6
7
1
2
3
4
5
6
1
2
3
4
5
6
1
2
2
1
2
1
3
4
5
6
7
8
9
10
11
1
2
3
4
5
6
7
8
9
10
11

Related product manuals