EasyManua.ls Logo

Fujitsu AOHA24LAT3 - Refrigerant System Diagram; Refrigerant Flow Diagram

Fujitsu AOHA24LAT3
24 pages
Print Icon
To Next Page IconTo Next Page
To Next Page IconTo Next Page
To Previous Page IconTo Previous Page
To Previous Page IconTo Previous Page
Loading...
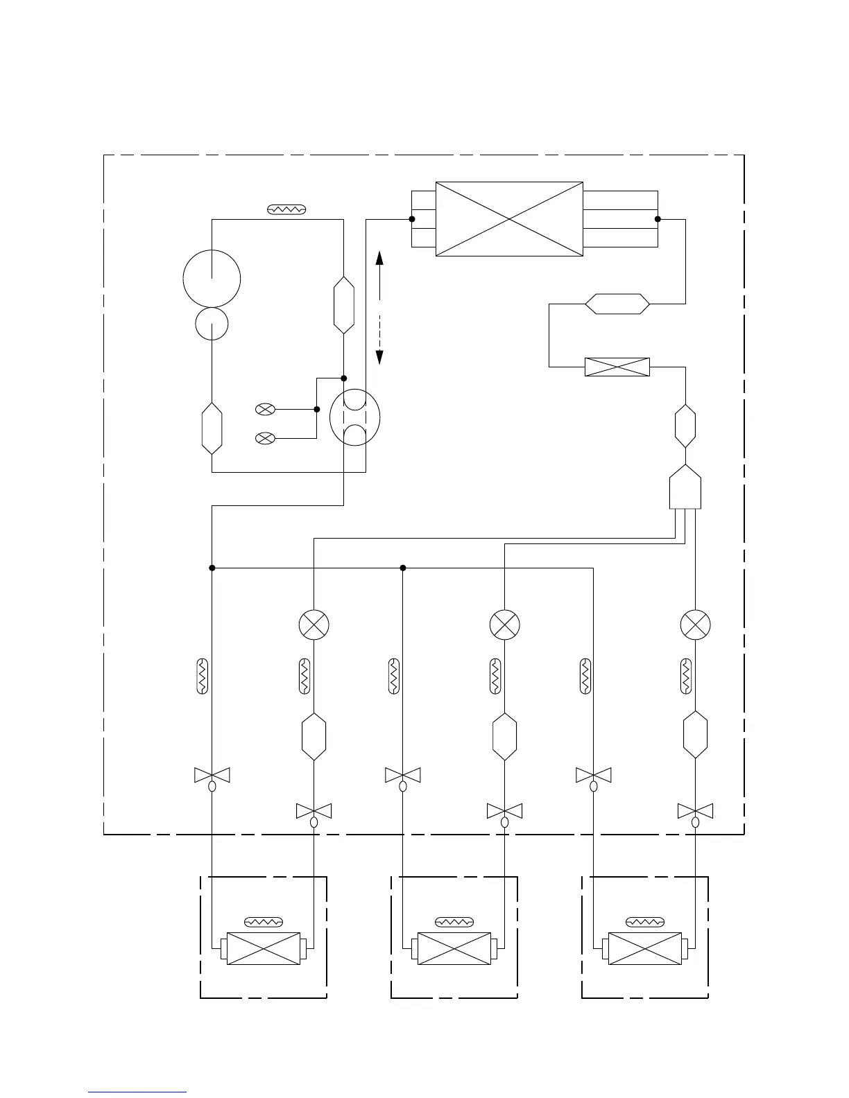
REFRIGERANT SYSTEM DIAGRAM
52008.04.21
OUTDOOR UNIT
INDOOR UNIT A INDOOR UNIT B INDOOR UNIT C
Room
Thermistor
Discharge
thermistor
Pressure
switch (A)
Pressure
switch (B)
Compressor
Accumulator
Mufller
Strainer
3-way
valve
3-way
valve
3-way
valve
2-way
valve
2-way
valve
2-way
valve
Heat exchanger
Room
Thermistor
Strainer
Expansion
valve
Expansion
valve
Expansion
valve
4-way valve
HEAT COOL
Heat exchanger
Heat exchanger
Heat exchanger
Receiver tank
Room
Thermistor
Strainer
Strainer
Distributor
Pipe
Thermistor
Pipe
Thermistor
Pipe
Thermistor
Pipe
Thermistor
Pipe
Thermistor
Pipe
Thermistor
Heat exchanger

Related product manuals