EasyManua.ls Logo

Fujitsu AOTG12LVCC - 3. REFRIGERANT CIRCUIT

Fujitsu AOTG12LVCC
59 pages
Print Icon
To Next Page IconTo Next Page
To Next Page IconTo Next Page
To Previous Page IconTo Previous Page
To Previous Page IconTo Previous Page
Loading...
-
(
02 - 06
)
-
OUTDOOR UNIT
AOTG09-22LV
OUTDOOR UNIT
AOTG09-22LV
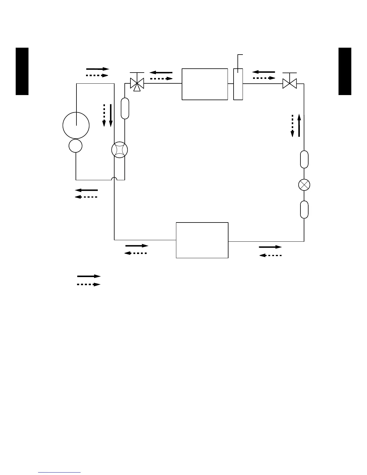
REFRIGERANT CIRCUIT3.
MODEL
:AOTG09LV
Refrigerant pipe diameter
Liquid : 1/4" (6.35 mm)
Gas : 3/8" (9.52 mm)
Cooling
Heating
2-Way
valve
Strainer
Strainer
3-Way
valve
Muffler
4-Way valve
Expansion valve
Heat exchanger Sub heat exchanger
( INDOOR )
Heat exchanger
( OUTDOOR )
Compressor

Related product manuals