EasyManua.ls Logo

Fujitsu AOTG34LFTC - Page 13

Fujitsu AOTG34LFTC
30 pages
Print Icon
To Next Page IconTo Next Page
To Next Page IconTo Next Page
To Previous Page IconTo Previous Page
To Previous Page IconTo Previous Page
Loading...
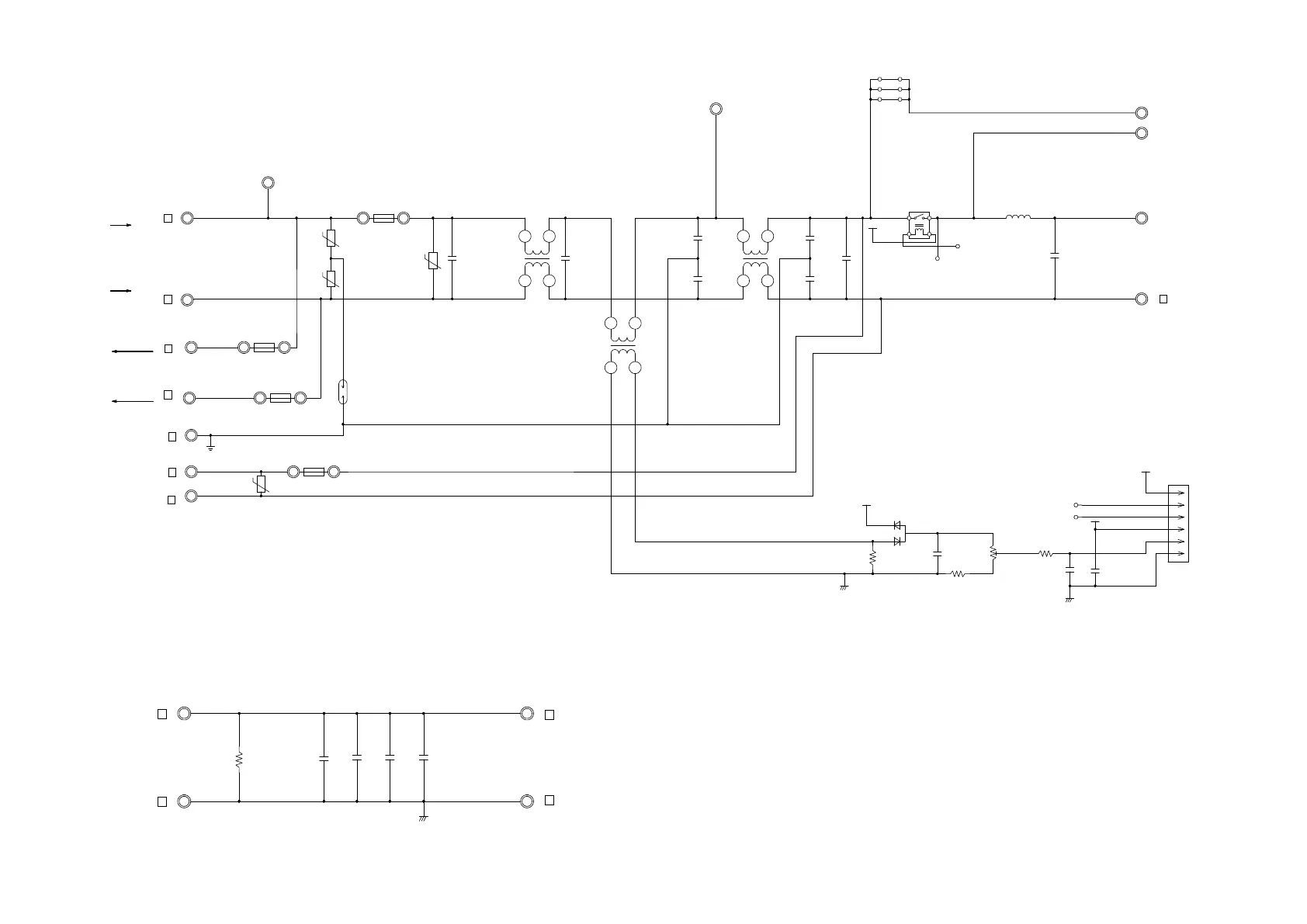
SA100
RA-302M
VA102
470V
<TNR>
VA100, VA101
470V <TNR>
x 2
FH106 FH107
TM100
86028
F103
30A
250V
C100
3.3
<LE>
T100
CT-
1B
L100
RCH3818-022PF07
C103
3.3
<LE>
C104
0.022
<YE>
C105
0.022
<YE>
C107
0.015
<YE>
C106
0.015
<YE>
L101
RCH3818-022PF07
C108
3.3
<LE>
12V
K100
DW12D1-O (M)
L102
n200500K
C110
3.3
<LE>
JM100 - JM102
F100
10A
250V
FH101 FH100
F101
10A
250V
FH103 FH102
VA104
470V
<TNR>
F104
3.15A
250V
FH109
FH108
W101
B
WHITE
W100
B
BLACK
W104
B
BLACK
W113
B
WHITE
W106
B
GREEN
W107
B
BLACK
W108
B
WHITE
EARTH
3
4
2
1
4
3
2
1
W103
B
ORANGE
P-PR1
K100 - 3
5
4
1 3
3
4
12
L
N
L
N
5V
TM103
86028
D100
DAN217U
R103 1.0k
<1/10W>
1%
C111
220/
16V
+
R104
3.74k
<1/10W>
1%
VR100
VG067TL1
<0.2W>
B2K
12V
5V
C113
0.1
<B>
C112
0.1
<B>
R106
22k
<1/10W>
3
2
1
3
2
1
6
5
4
3
2
1
P-PR2
P-PR1
W102
ORANGE
W112
ORANGE
W111
ORANGE
CN101
B06B-XN I SK-A-1
WHITE
MAIN PCB
TO I NDOOR UNIT
POWER SOURCE
AC240V
50Hz
H-0017-2 x 2
PFC5000-0702F
x 2
PFC5000-0702F
x 2
PFC5000-0702F
x 2
OUTDOOR UNIT
FILTER PCB
K10BR-1000HUE-FL0
2012.07.25 12
W7
B
YELLOW
W8
B
BLUE
W12
B
WHITE
W13
B
VIOLET
P
N
+
+
+
+
R200
220k
<2W>
C200 - C203
660/
450V
x 4
POWER_G
CAPACITOR PCB
K05FB-1000HUE-P0

Related product manuals