EasyManua.ls Logo

Fujitsu AOU18RLQ - Page 8

Fujitsu AOU18RLQ
19 pages
Print Icon
To Next Page IconTo Next Page
To Next Page IconTo Next Page
To Previous Page IconTo Previous Page
To Previous Page IconTo Previous Page
Loading...
+
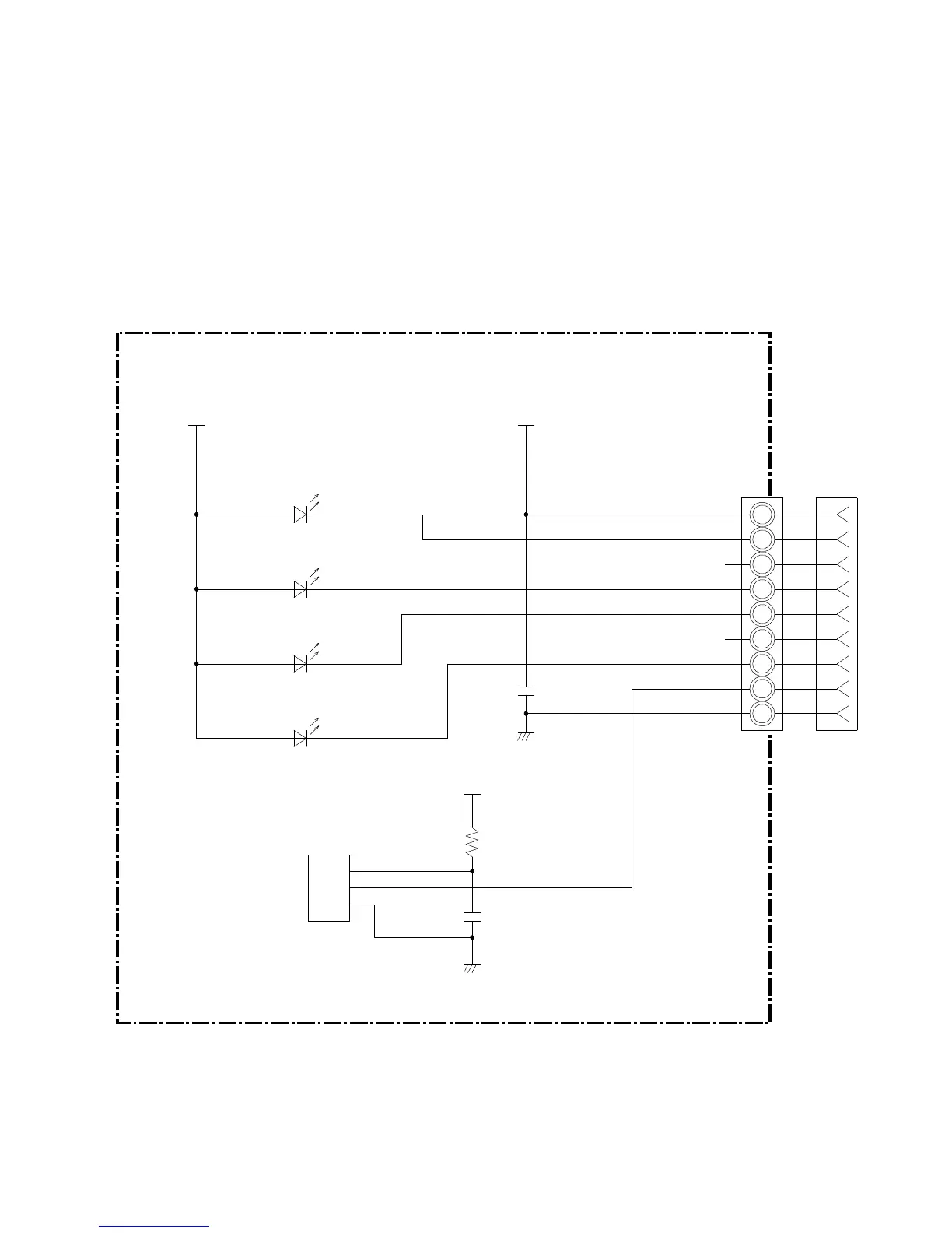
5V
C201
0.1
<F>
R201
47
<1/4W>
C202
47/
10V
I C201
GP1UM261R
5V
5V
CN201
09 JB20/ZHR
1
1
1
1
2
2
2
2
2
1
3
VCC
OUT
GND
D206 SLR-325
D204 SLR-325
D203 SLR-325
D201 SLR-325
1
6
8
7
5
4
3
2
9
INDICATOR PCB ASSY
K03DV-0400WSE-D0
2006.06.07 7
INDOOR UNIT

Other manuals for Fujitsu AOU18RLQ

Related product manuals