EasyManua.ls Logo

Fujitsu AOY45FMAXT - Circuit Diagram

Fujitsu AOY45FMAXT
25 pages
Print Icon
To Next Page IconTo Next Page
To Next Page IconTo Next Page
To Previous Page IconTo Previous Page
To Previous Page IconTo Previous Page
Loading...
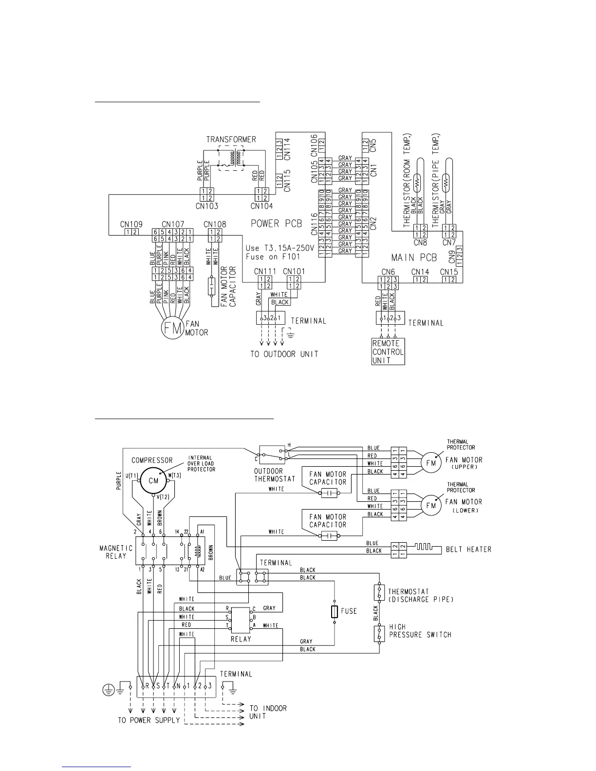
CIRCUIT DIAGRAM
Models : ARG45FUAN, ARY45FUAN
Models : AOG45FMAXT, AOY45FMAXT
2005.12.06 6

Related product manuals