EasyManua.ls Logo

Fujitsu AOY45TPB3L - Circuit Diagrams

Fujitsu AOY45TPB3L
19 pages
Print Icon
To Next Page IconTo Next Page
To Next Page IconTo Next Page
To Previous Page IconTo Previous Page
To Previous Page IconTo Previous Page
Loading...
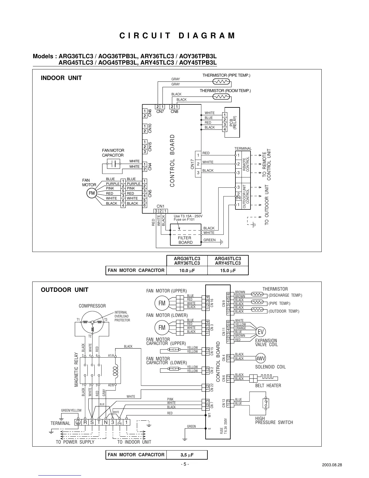
Models : ARG36TLC3 / AOG36TPB3L, ARY36TLC3 / AOY36TPB3L
ARG45TLC3 / AOG45TPB3L, ARY45TLC3 / AOY45TPB3L
GREEN
WHITE
BLACK
CN1
3
2 1
CN17
2
(N)
3
1
1
3
2
3
1
2
FILTER
BOARD
REMOTE
CONTROL
OUTDOOR UNIT
CONTROL
Use T3.15A - 250V
Fuse on F101
BLACK
WHITE
RED
BLACK
WHITE
RED
TERMINAL
TO OUTDOOR UNIT
TO REMOTE
CONTROL UNIT
WHITE
BLUE
RED
BLACK
GRAY
GRAY
BLACK
BLACK
CONTROL BOARD
THERMISTOR (ROOM TEMP.)
CN7
CN4CN5 CN15 CN10
CN6
CN8
WHITE
WHITE
BLUE
PURPLE
PINK
RED
WHITE
BLACK
THERMISTOR (PIPE TEMP.)
FAN MOTOR
CAPACITOR
FAN
MOTOR
BLUE
PURPLE
PINK
RED
WHITE
BLACK
PCB
(RELAY)
TO POWER SUPPLY TO INDOOR UNIT
BLACK
WHITE
RED
T1 T3
T2
2 4 6 A1/A
INTERNAL
OVERLOAD
PROTECTOR
1 3 5 A2/B
TERMINAL
COMPRESSOR
MAGNETIC RELAY
BELT HEATER
HIGH
PRESSURE SWITCH
GREEN/YELLOW
THERMISTOR
EXPANSION
VALVE COIL
SOLENOID COIL
BROWN
BROWN
BLACK
BLACK
BLACK
BLACK
BLACK
BLACK
(DISCHARGE TEMP.)
(OUTDOOR TEMP.)
(PIPE TEMP.)
CN 9
WHITE
YELLOW
ORANGE
BLUE
BROWN
RED
CN 11CN 4
FAN MOTOR (UPPER)
BLUE
RED
WHITE
BLACK
CN 16
FAN MOTOR (LOWER)
FAN MOTOR
CAPACITOR (UPPER)
BLUE
RED
WHITE
BLACK
CN 3
YELLOW
YELLOW
CN 15
BLACK
BLACK
CN 6
BLUE
BLUE
CN 13
FAN MOTOR
CAPACITOR (LOWER)
YELLOW
BLACK
YELLOW
CN 2
WHITE
FUSE
T 6.3A 250V
WHITE
GRAY
RED
WHITE
BLACK
BLACK
RED
WHITE
BLUE
GREEN
CN 22
W1E
PINK
CN 7
CONTROL BOARD
13NTSR
2
(N)
1 2 3 4 5 61 21 21 2 1 2 3 4 5 6
EV
1 2 3 4
FM
1 2 3 41 21 21 21 2 3
FM
4WV
2003.08.28
- 5 -
CIRCUIT DIAGRAM
INDOOR UNIT
OUTDOOR UNIT
FAN MOTOR CAPACITOR
ARG36TLC3
ARY36TLC3
ARG45TLC3
ARY45TLC3
FAN MOTOR CAPACITOR