EasyManua.ls Logo

Fujitsu ARG25ALC - Page 31

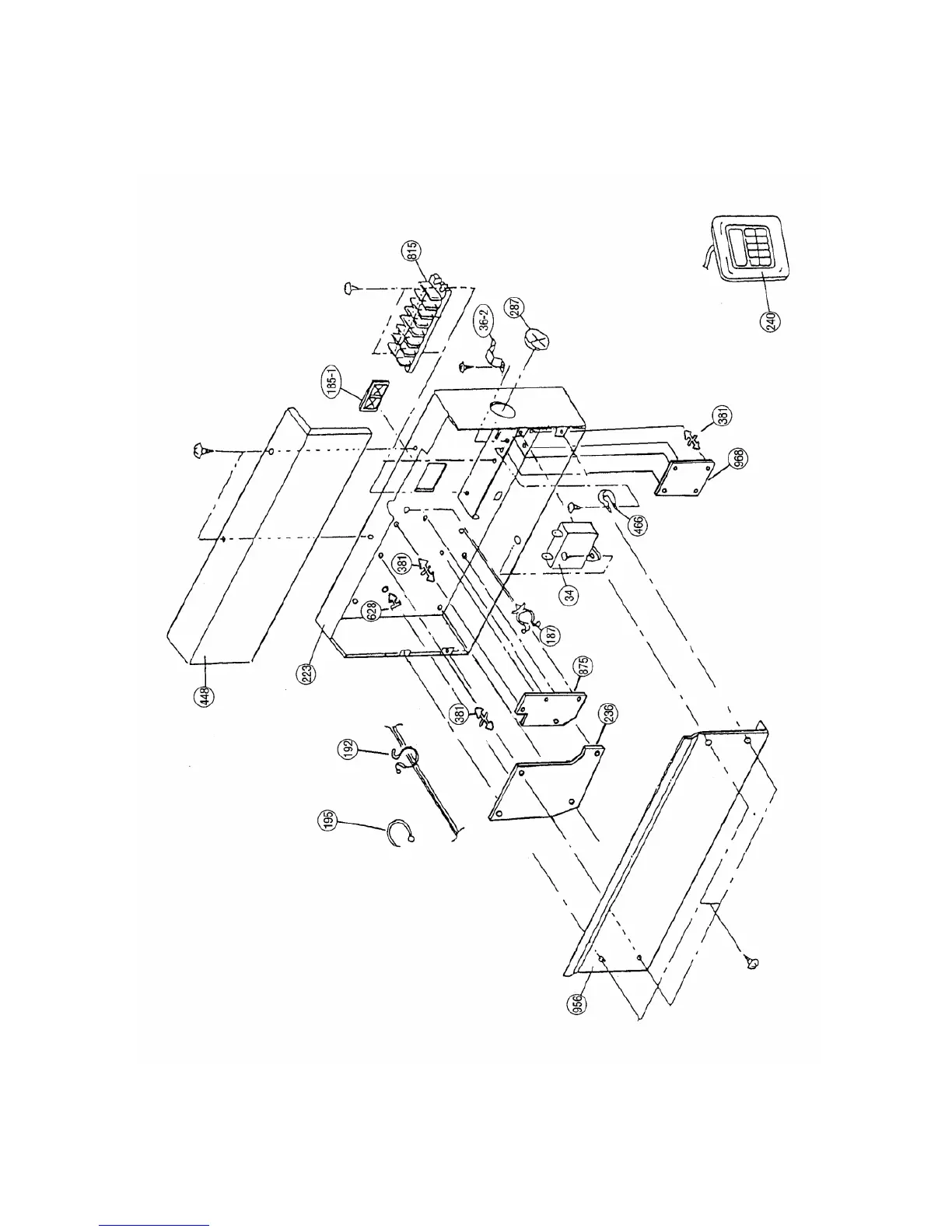
Fujitsu ARG25ALC
63 pages
Print Icon
To Next Page IconTo Next Page
To Next Page IconTo Next Page
To Previous Page IconTo Previous Page
To Previous Page IconTo Previous Page
Loading...
2003.05.08
30
Models : ARG30ALC
ARY30ALC
ART30ALC
ARG30RLC
ARY30RLC
ART30RLC

Related product manuals