EasyManua.ls Logo

Fujitsu ARG30RLC

Fujitsu ARG30RLC
63 pages
To Next Page IconTo Next Page
To Next Page IconTo Next Page
To Previous Page IconTo Previous Page
To Previous Page IconTo Previous Page
Loading...
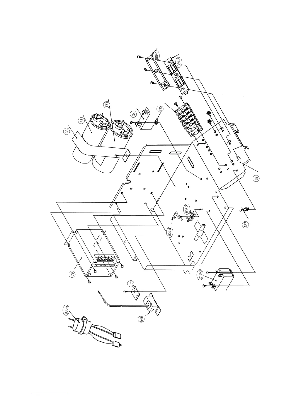
Model : AOT25ANAL
41
2003.05.08

Related product manuals