EasyManua.ls Logo

Fujitsu ARG30RLC - Page 53

Fujitsu ARG30RLC
63 pages
Print Icon
To Next Page IconTo Next Page
To Next Page IconTo Next Page
To Previous Page IconTo Previous Page
To Previous Page IconTo Previous Page
Loading...
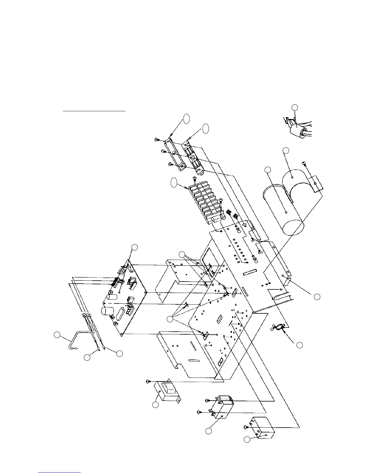
236
628
381
37
32
34
846
451
38
989-1
989-2
187
815-3
353
788
549
629
Modes :
AOG30RMBL
AOY30RMBL
52
2003.05.08

Related product manuals