EasyManua.ls Logo

Fujitsu ARXG09KLLAP - Page 178

Fujitsu ARXG09KLLAP
471 pages
To Next Page IconTo Next Page
To Next Page IconTo Next Page
To Previous Page IconTo Previous Page
To Previous Page IconTo Previous Page
Loading...
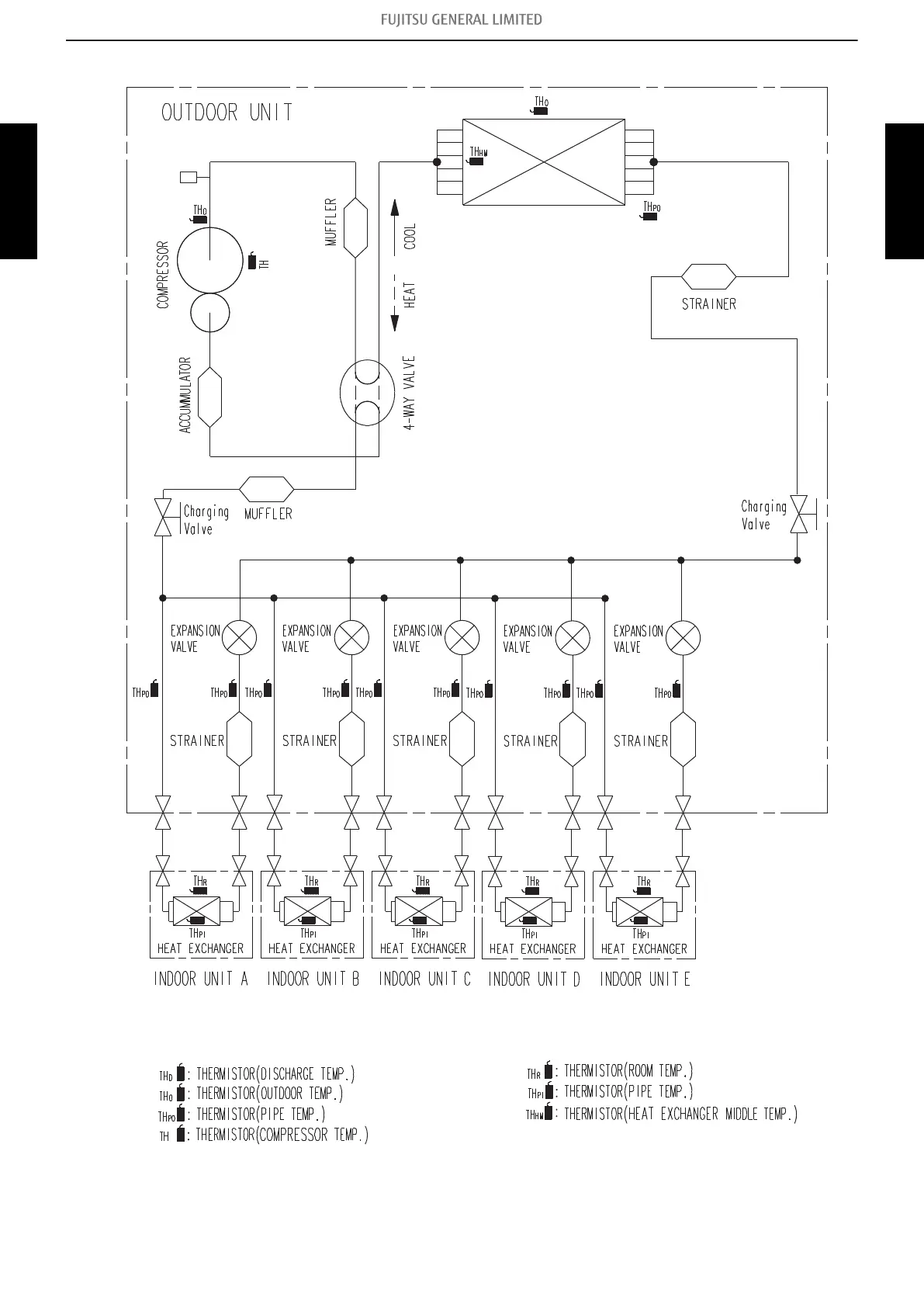
7-2. Model: AOHG36KBTA5
C
C
Pressure
switch
CONDENSER
7-2. Model: AOHG36KBTA5 - (02-116) - 7. Refrigerant system diagrams
TECHNICAL DATA
AND PARTS LIST
TECHNICAL DATA
AND PARTS LIST

Table of Contents

Other manuals for Fujitsu ARXG09KLLAP

Related product manuals