EasyManua.ls Logo

Fujitsu ARXG09KLLAP - Refrigerant Circuit; Model: AOYG30 KBTA4

Fujitsu ARXG09KLLAP
567 pages
To Next Page IconTo Next Page
To Next Page IconTo Next Page
To Previous Page IconTo Previous Page
To Previous Page IconTo Previous Page
Loading...
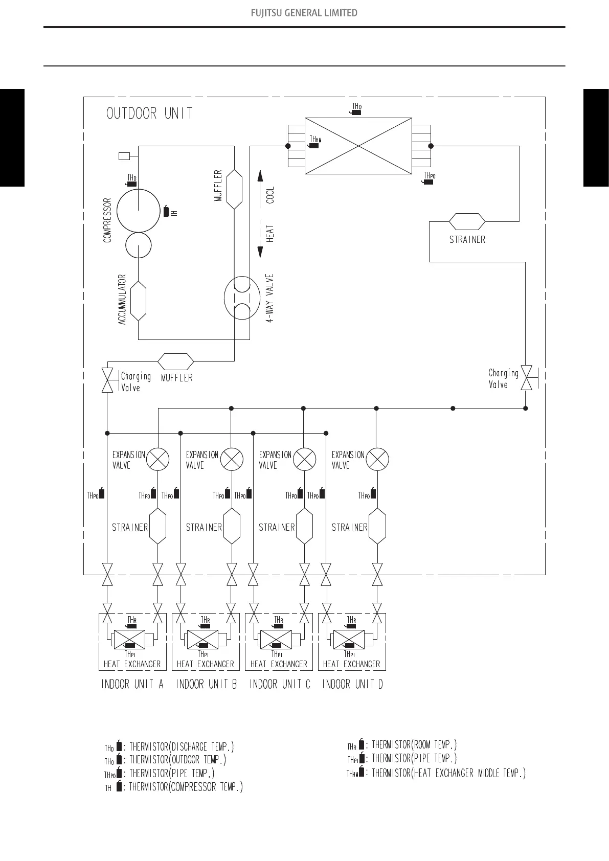
4. Refrigerant circuit
4-1. Model: AOYG30KBTA4
C
C
Pressure
switch
CONDENSER
- 388 -
4-1. Model: AOYG30KBTA4
4. Refrigerant circuit
OUTDOOR UNIT
AOYG30KBTA4
OUTDOOR UNIT
AOYG30KBTA4

Table of Contents

Other manuals for Fujitsu ARXG09KLLAP

Related product manuals