EasyManua.ls Logo

Fujitsu ARXG36KMLA - Model: AOYG45 KATA

Fujitsu ARXG36KMLA
112 pages
Print Icon
To Next Page IconTo Next Page
To Next Page IconTo Next Page
To Previous Page IconTo Previous Page
To Previous Page IconTo Previous Page
Loading...
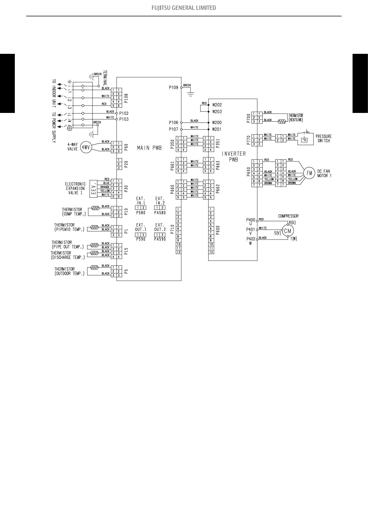
5-3. Model: AOYG45KATA
- 84 -
5-3. Model: AOYG45KATA
5. Wiring diagrams
OUTDOOR UNIT
AOYG24-45KATA
OUTDOOR UNIT
AOYG24-45KATA

Table of Contents

Other manuals for Fujitsu ARXG36KMLA

Related product manuals