EasyManua.ls Logo

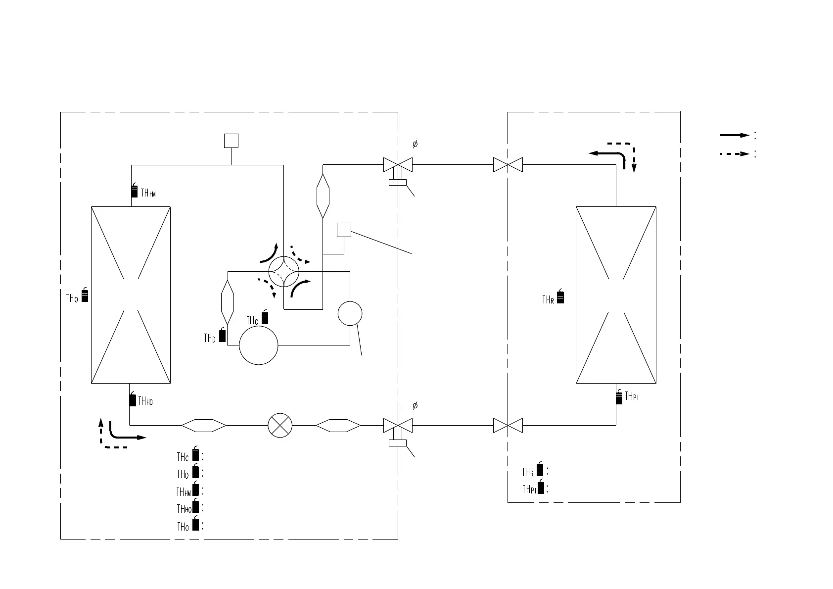
Fujitsu ARYG36LMLA - Refrigerant System Diagram

Fujitsu ARYG36LMLA
28 pages
Print Icon
To Next Page IconTo Next Page
To Next Page IconTo Next Page
To Previous Page IconTo Previous Page
To Previous Page IconTo Previous Page
Loading...
REFRIGERANT
SYSTEM DIAGRAM
2012.04.09
Thermistor (Compressor)
Compressor
4-way Valve
Pressure
Check Valve
Pressure
Sensor
Muffler
Strainer Strainer
Expansion
Valve
Strainer
3-Way Valve
3-Way Valve
Accumulator
Refrigerant Pipe
9.52mm (3/8")
Refrigerant Pipe
15.88mm (5/8")
Thermistor (Discharge)
Thermistor (Room)
Heat
Exchanger
Heat
Exchanger
Thermistor (Pipe)
Thermistor (Heat Exchanger Med)
Thermistor (Heat Exchanger Out)
Thermistor (Outdoor)
Cool
Refrigerant flow
Heat
4
OUTDOOR UNIT INDOOR UNIT

Related product manuals