EasyManua.ls Logo

Fujitsu ASU12RLF1

Fujitsu ASU12RLF1
61 pages
To Next Page IconTo Next Page
To Next Page IconTo Next Page
To Previous Page IconTo Previous Page
To Previous Page IconTo Previous Page
Loading...
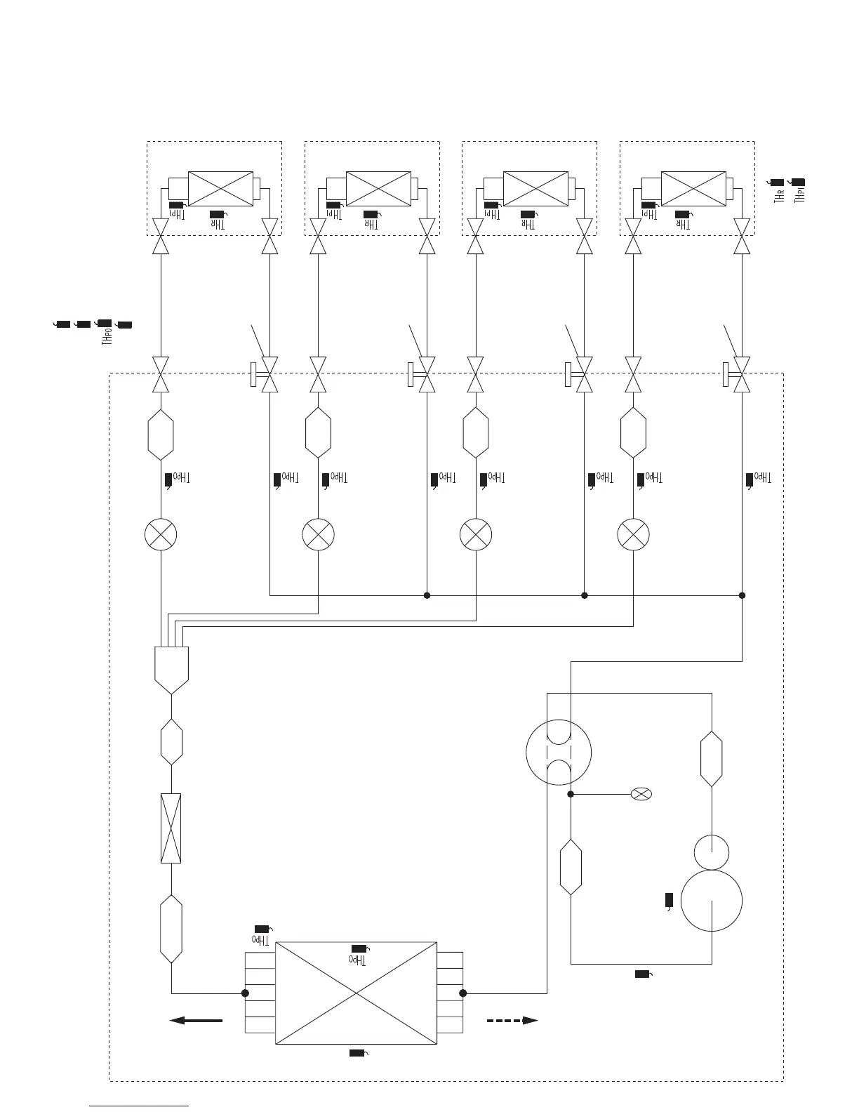
REFRIGERANT SYSTEM DIAGRAM
112015.02.17
TH
C
TH
D
TH
O
TH
C
TH
D
TH
O
1/4” 6.35 mm
3/8” 9.52 mm
3/8” 9.52 mm
3/8” 9.52 mm
1/2” 12.7 mm
1/4” 6.35 mm
1/4” 6.35 mm
1/4” 6.35 mm
Heat
exchanger
Pressure
switch
Compressor
Accumulator
4-way valve
Heating
flow
Cooling
flow
Receiver
tank
Condenser
Muffler
OUTDOOR UNIT
INDOOR UNIT A
INDOOR UNIT B
INDOOR UNIT C
INDOOR UNIT D
Heat exchanger
Heat exchanger
Heat exchanger
Heat exchanger
Charging valve
Charging valve
Charging valve
Charging valve
Strainer
Strainer
Strainer
Strainer
Expansion
valve
Expansion
valve
Expansion
valve
Expansion
valve
Strainer
Distributor
: Thermistor (Discharge temp.)
: Thermistor (Compressor temp.)
: Thermistor (Room temp.)
: Thermistor (Pipe temp.)
: Thermistor (Pipe temp.)
: Thermistor (Outdoor temp.)

Other manuals for Fujitsu ASU12RLF1

Related product manuals