EasyManua.ls Logo

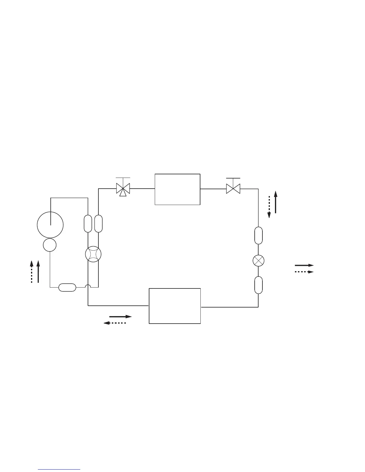
Fujitsu ASU12RLS3 - Refrigerant System Diagram

Fujitsu ASU12RLS3
20 pages
Print Icon
To Next Page IconTo Next Page
To Next Page IconTo Next Page
To Previous Page IconTo Previous Page
To Previous Page IconTo Previous Page
Loading...
REFRIGERANT
SYSTEM DIAGRAM
Refrigerant direction
Cooling
Heating
Refrigerant pipe diameter
Liquid : 1/4" (6.35 mm)
Gas : 3/8" (9.52 mm)
2-Way valve
Strainer
Strainer
3-Way valve
Muffler
Accumulator
Muffler
4-Way valve
Expansion valve
Heat exchanger
(indoor unit)
Heat exchanger
(outdoor unit)
Compressor
2015.01.06 3

Other manuals for Fujitsu ASU12RLS3

Related product manuals