EasyManua.ls Logo

Fujitsu ASU18CL - Page 14

Fujitsu ASU18CL
81 pages
Print Icon
To Next Page IconTo Next Page
To Next Page IconTo Next Page
To Previous Page IconTo Previous Page
To Previous Page IconTo Previous Page
Loading...
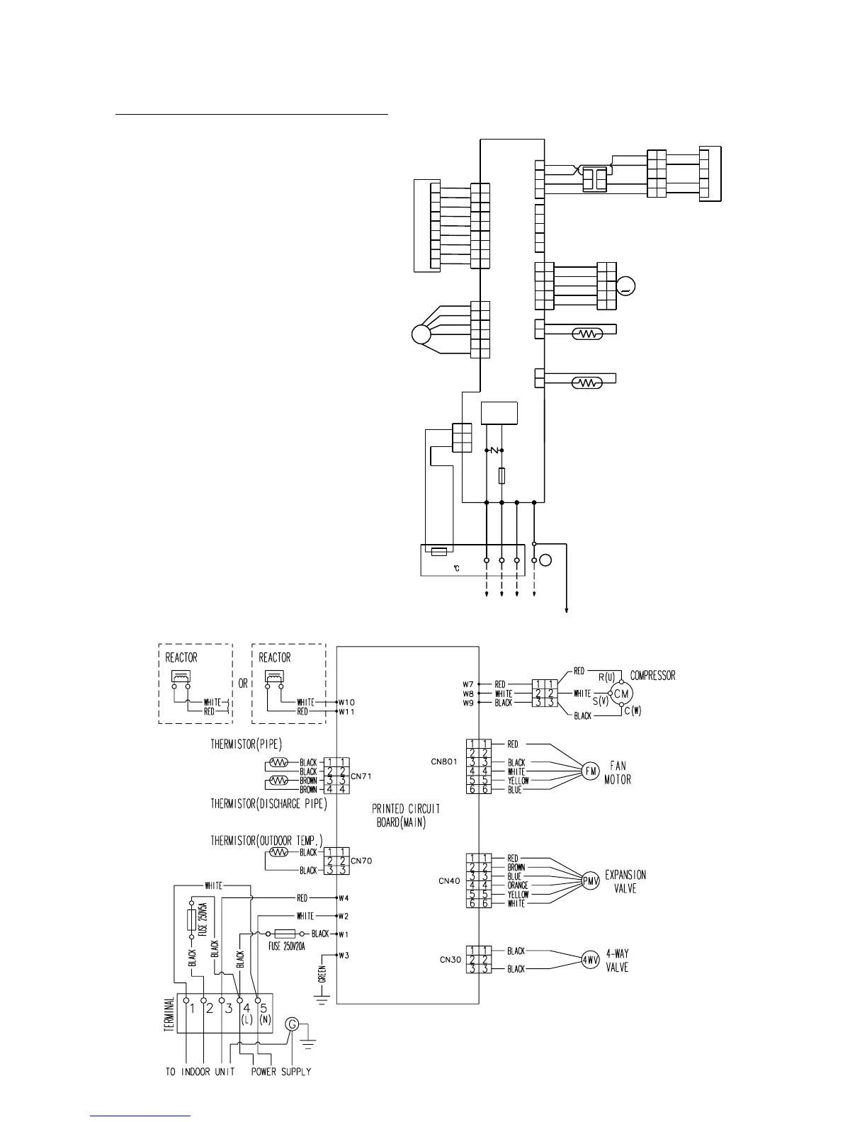
CIRCUIT DIAGRAM
ASU12RLQ AOU12RLQ
Models : ASU9RLQ / AOU9RLQ
04-01
OUTDOOR UNIT
INDOOR UNIT
BLACK
BLACK
BLACK
BLACK
ORANGE
YELLOW
RED
PINK
BLUE
RED
WHITE
YELLOW
WHITE
RED
BLUE
BLUE
RED
YELLOW
WHITE
GREEN / YELLOW
GREEN
RED
BLACK
WHITE
W1
W2
W3
W4
GRAY
GRAY
WHITE
BLACK
RED
YELLOW
BLUE
WHITE
WHITE
WHITE
WHITE
WHITE
WHITE
WHITE
WHITE
RED
CN201
CN4
CN3
CN10CN2
CN1
CN6CN5
CN7
1
2
3
4
5
6
7
8
9
1
2
3
4
5
6
7
8
9
1
2
3
4
5
6
7
8
9
1
2
3
4
1
2
3
4
5
1
2
3
4
5
1
2
3
4
5
1
2
3
4
5
1
2
3
4
5
1
2
3
4
5
1
2
1
2
1
2
3
4
5
6
1
2
3
6
1
2
3
4
1
2
3
1
2
3
4
5
1
2
3
4
5
1
2
3
4
5
TERMINAL
ROOM TEMPERATURE THERMISTOR
PIPE TEMPERATURE THERMISTOR
FAN MOTOR
STEP MOTOR
SWITCH
BARISTOR
FUSE
3.15A
G1 2 3
F. M.
SW
POWER CIRCUIT
THERMAL FUSE
102
M
CONTROL BOARD
DISPLAY BOARD
AIR CLEAN UNIT

Table of Contents

Other manuals for Fujitsu ASU18CL

Related product manuals