EasyManua.ls Logo

Fujitsu ASYB18LDC - Page 100

Fujitsu ASYB18LDC
140 pages
Print Icon
To Next Page IconTo Next Page
To Next Page IconTo Next Page
To Previous Page IconTo Previous Page
To Previous Page IconTo Previous Page
Loading...
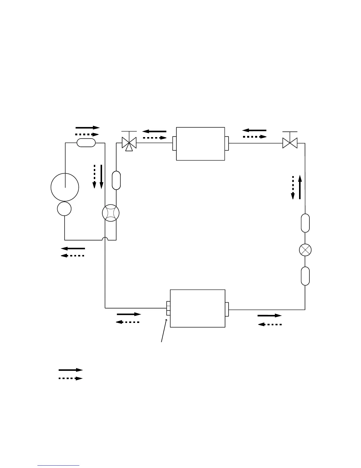
REFRIGERANT SYSTEM DIAGRAM
2-Way
valve
Strainer
Strainer
3-Way
valve
Muffler
Muffler
4-Way valve
Expansion valve
Heat exchanger
( INDOOR )
Heat exchanger
( OUTDOOR )
AOYS09LDC : 2 pass
AOYS12LDC : 4 pass
Compressor
Cooling
Heating
Refrigerant pipe diameter
Liquid : 1/4" (6.35 mm)
Gas : 3/8" (9.52 mm)
2005.12.26 3
Models :
ASYB09LDC / AOYS09LDC
ASYB12LDC / AOYS12LDC

Related product manuals