EasyManua.ls Logo

Fujitsu ASYB18LDC - Page 60

Fujitsu ASYB18LDC
140 pages
Print Icon
To Next Page IconTo Next Page
To Next Page IconTo Next Page
To Previous Page IconTo Previous Page
To Previous Page IconTo Previous Page
Loading...
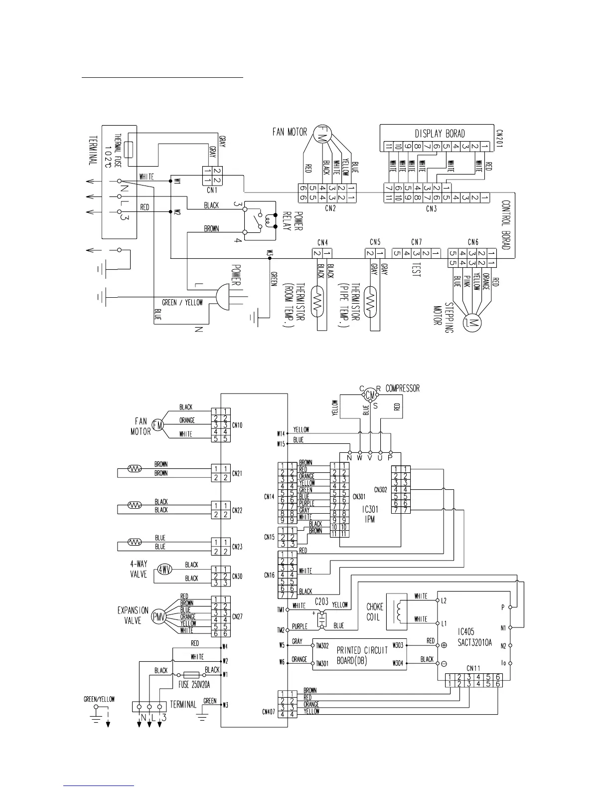
CIRCUIT DIAGRAM
INDOOR UNIT
OUTDOOR UNIT
Models : ASY9LSACW / AOY9LSAC
ASY12LSACW / AOY12LSAC
3
2004.10.07
Controller PCB
Thermistor
(pipe)
Thermistor
(discharge pipe)
Thermistor
(outdoor temp.)

Related product manuals