EasyManua.ls Logo

Fujitsu ASYB18LDC - Page 78

Fujitsu ASYB18LDC
140 pages
Print Icon
To Next Page IconTo Next Page
To Next Page IconTo Next Page
To Previous Page IconTo Previous Page
To Previous Page IconTo Previous Page
Loading...
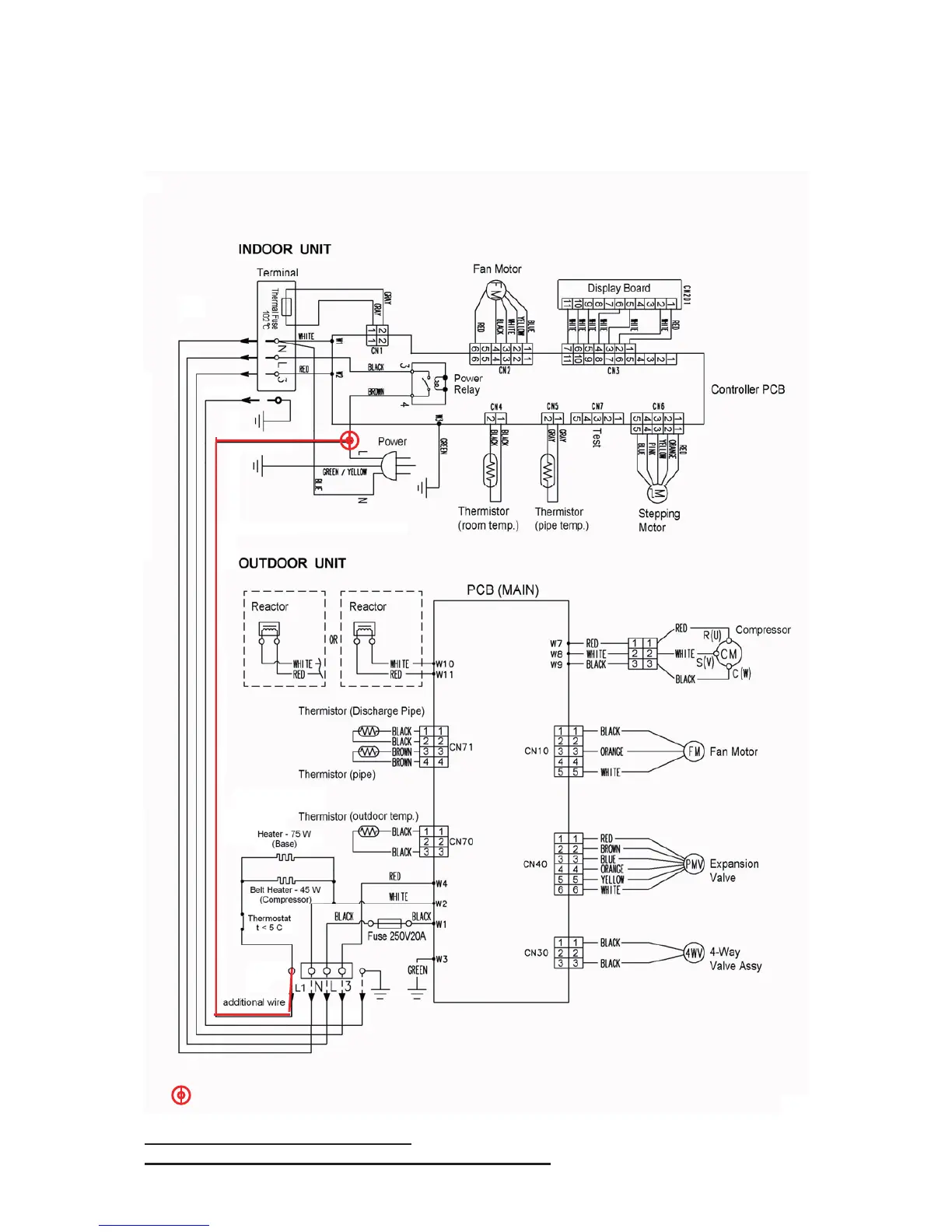
VERSION „ARCTIC”
Models: ASY 9 LSBCW / AOY 9 LFBC, gjelder også LCC
ASY 12 LSBCW / AOY 12 LFBC, gjelder også LCC
ASY 14 LSBCW / AOY 14 LFBC, gjelder også LCC
L1 – tilleggs leder – live fase L1,
Kabel mellom ute og innedel – 4 x 1,5 mm² + jord
Kobles på tilførselskabel fra nett (før rele) i innedelen.

Related product manuals