EasyManua.ls Logo

Fujitsu ASYB18LDC - Page 94

Fujitsu ASYB18LDC
140 pages
Print Icon
To Next Page IconTo Next Page
To Next Page IconTo Next Page
To Previous Page IconTo Previous Page
To Previous Page IconTo Previous Page
Loading...
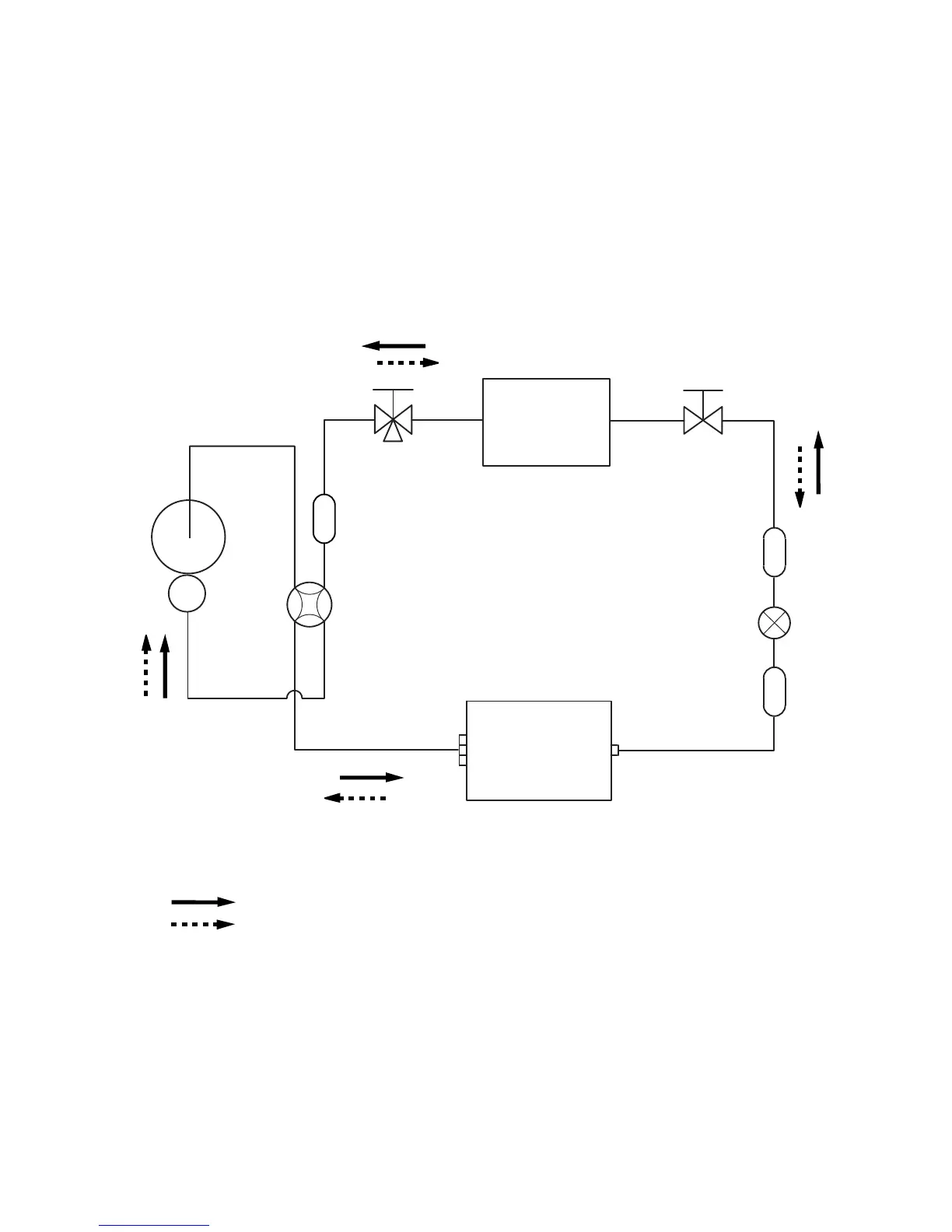
REFRIGERANT SYSTEM DIAGRAM
2-Way valve
Strainer
Strainer
3-Way valve
Muffler
4-Way valve
Expansion valve
Refrigerant direction
Heat exchanger
(indoor unit)
Heat exchanger
(outdoor unit)
Compressor
Cooling
Heating
Refrigerant pipe diameter
Liquid : 1/4" (6.35 mm)
Gas : 1/2" (12.7 mm)
2008.04.24 3

Related product manuals