EasyManua.ls Logo

Fujitsu ASYB18LDC - Page 96

Fujitsu ASYB18LDC
140 pages
Print Icon
To Next Page IconTo Next Page
To Next Page IconTo Next Page
To Previous Page IconTo Previous Page
To Previous Page IconTo Previous Page
Loading...
RED
BLACK
RED
BROWN
BLUE
ORANGE
YELLOW
WHITE
WHITE
YELLOW
BROWN
BLACK
BLACK
RED
WHITE
BLACK
1
2
3
4
5
6
7
1
2
3
4
5
6
7
1
2
3
4
5
6
1
2
3
4
5
6
1
2
1
2
1
2
3
1
2
3
1
2
3
4
1
2
3
4
CN62
W4
W2
W1
W3
CN61
W10
W11
W7
W8
W9
CN800
CN40
CN501
BLACK
BLACK
RED
WHITE
BLACK
BLACK
BLACK
BLACK
BLACK
BLACK
GREEN
WHITE
RED
WHITE
RED
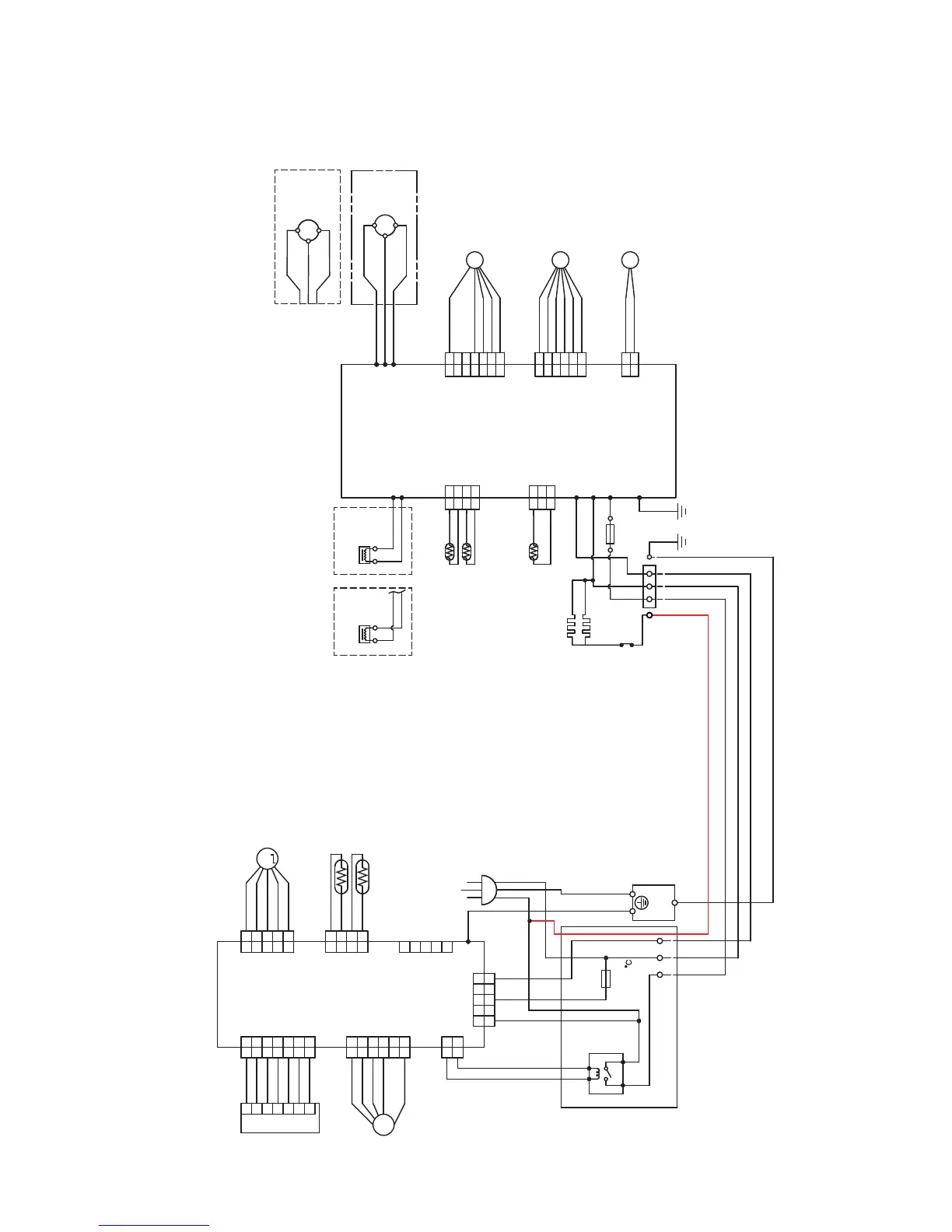
4-WAY VALVE
EXPANSION VALVE
FAN MOTOR
AOYR09LGC Type
COMPRESSOR
CM
FM
PMV
4WV
R(R)U
C(T)W
S(S)V
L
N
3
FUSE
250V - 20A
REACTOR
REACTOR
or
THERMISTOR
( PIPE TEMP. )
THERMISTOR
( DISCHARGE PIPE TEMP. )
THERMISTOR
( OUTDOOR TEMP. )
CONTROLLER
PCB ASSEMBLY
BLACK
BLACK
BLACK
BLACK
ORANGE
RED
YELLOW
PINK
BLUE
BROWN
BLUE
RED
WHITE
WHITE
WHITE
WHITE
WHITE
WHITE
BLUE
YELLOW
WHITE
BLACK
RED
GRAY
GRAY
BLACK
WHITE
RED
GREEN
GREEN / YELLOW
1
2
3
4
5
6
7
1
2
3
4
5
6
7
1
2
3
4
5
6
7
1
2
3
4
5
6
1
2
3
4
5
6
1
2
1
2
1
2
3
4
5
1
2
3
4
1
2
3
4
1
2
3
4
5
1
2
3
4
5
CN201
CN1
1 2
3
4
5
1 2
3
4
5
CN2
CN7
CN3
CN5
CN4
CN6
W4
TERMINAL
EARTH
TERMINAL
POWER
RELAY
L
N
3
L
N
POWER SOURCE
TEST
M
FM
FAN MOTOR
THERMISTOR
( ROOM TEMP. )
THERMISTOR
( PIPE TEMP. )
STEP MOTOR
( LOUVER )
CONTROLLER
PCB ASSEMBLY
( MAIN PCB )
INDICATOR PCB ASSEMBLY
THERMAL
FUSE 102
CM
S
C
R
AOYR12LGC Type
COMPRESSOR
2008.01.08
INDOOR UNIT
OUTDOOR UNIT
CIRCUIT DIAGRAM
L1
THERMO-
STAT
t < 5°C
HEATER 45 W
(COMPRESSOR)
HEATER 75 W
ARCTIC

Related product manuals