EasyManua.ls Logo

Fujitsu ASYG24LFCA - 5. Wiring Diagrams

Fujitsu ASYG24LFCA
413 pages
Print Icon
To Next Page IconTo Next Page
To Next Page IconTo Next Page
To Previous Page IconTo Previous Page
To Previous Page IconTo Previous Page
Loading...
4. INDOOR UNITS
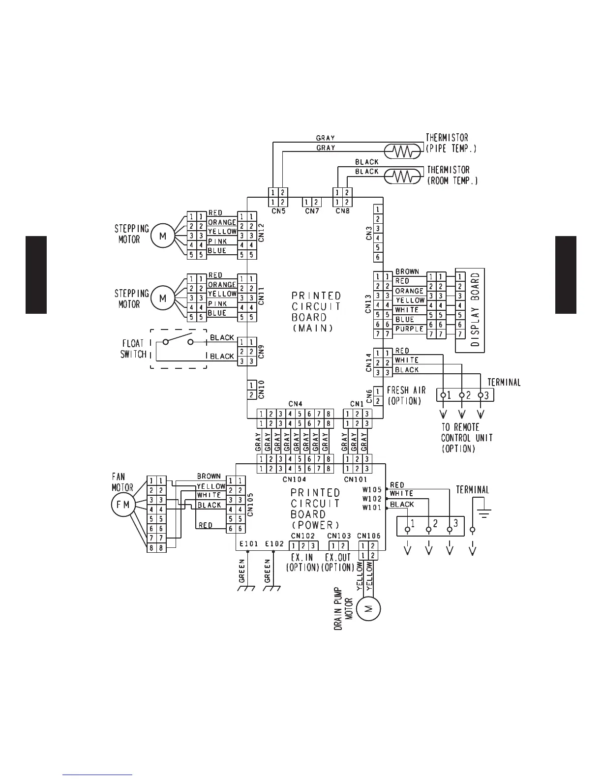
WIRING DIAGRAMS5.
COMPACT CASSETTE TYPE5-1.
MODELS : AU
G07LVLA, AU
G09LVLA, AU
G12LVLA,
AU
G14LVLA, AU
G18LVL A,
AU
G12LVLB, AU
G14LVLB, AU
G18LVLB
    
INDOOR
UNITS
INDOOR
UNITS

Table of Contents

Other manuals for Fujitsu ASYG24LFCA

Related product manuals