EasyManua.ls Logo

Fujitsu ASYG24LFCA - Page 121

Fujitsu ASYG24LFCA
413 pages
To Next Page IconTo Next Page
To Next Page IconTo Next Page
To Previous Page IconTo Previous Page
To Previous Page IconTo Previous Page
Loading...
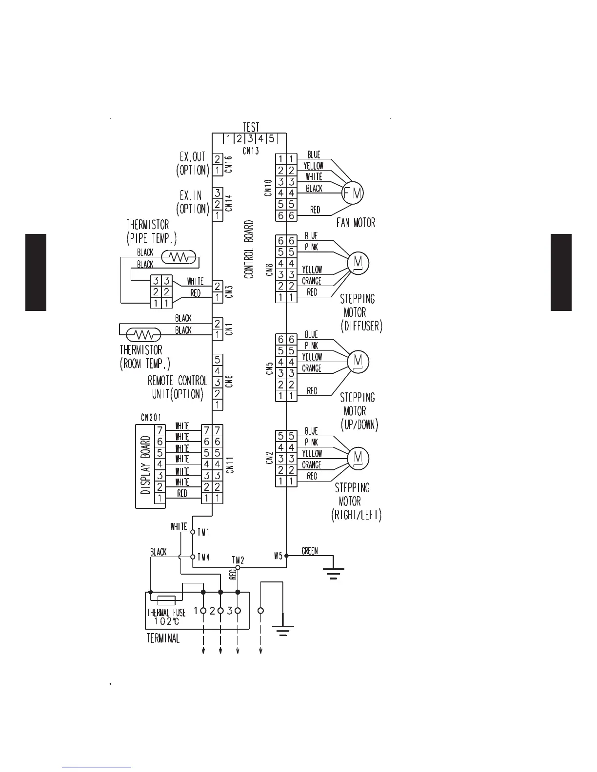
4. INDOOR UNITS
MODELS : AS
G18LFCA, AS
G24LFCA
AS
G24LFCC
    
INDOOR
UNITS
INDOOR
UNITS

Table of Contents

Other manuals for Fujitsu ASYG24LFCA

Related product manuals