EasyManua.ls Logo

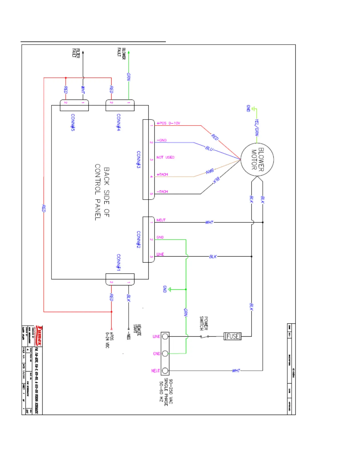
Fumex FA1 Series - DRAWINGS AND FIGURES; Control Panel Wiring Diagram

Fumex FA1 Series
9 pages
Print Icon
To Next Page IconTo Next Page
To Next Page IconTo Next Page
To Previous Page IconTo Previous Page
To Previous Page IconTo Previous Page
Loading...
8
DRAWINGS AND FIGURES
Figure 1

Related product manuals