EasyManua.ls Logo

FUNAI DPVR-4600 - Page 34

FUNAI DPVR-4600
102 pages
Print Icon
To Next Page IconTo Next Page
To Next Page IconTo Next Page
To Previous Page IconTo Previous Page
To Previous Page IconTo Previous Page
Loading...
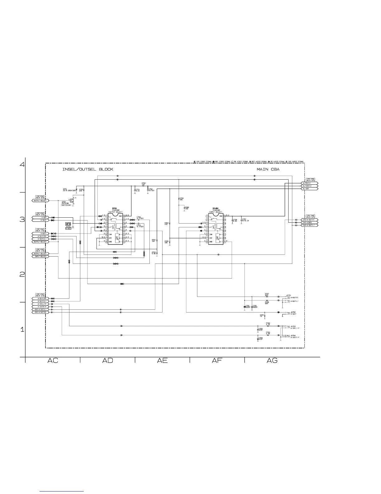
Main 6/9 Schematic Diagram < VCR Section >
1-10-13
1-10-14
H9510SCM6

Related product manuals