EasyManua.ls Logo

FUNAI DPVR-4600 - Page 41

FUNAI DPVR-4600
102 pages
Print Icon
To Next Page IconTo Next Page
To Next Page IconTo Next Page
To Previous Page IconTo Previous Page
To Previous Page IconTo Previous Page
Loading...
1-10-27
1-10-28
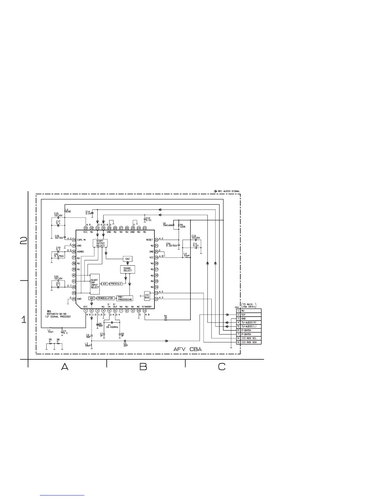
AFV Schematic Diagram < VCR Section >
H9510SCAFV

Related product manuals