EasyManua.ls Logo

FUNAI DPVR-4600 - Page 83

FUNAI DPVR-4600
102 pages
Print Icon
To Next Page IconTo Next Page
To Next Page IconTo Next Page
To Previous Page IconTo Previous Page
To Previous Page IconTo Previous Page
Loading...
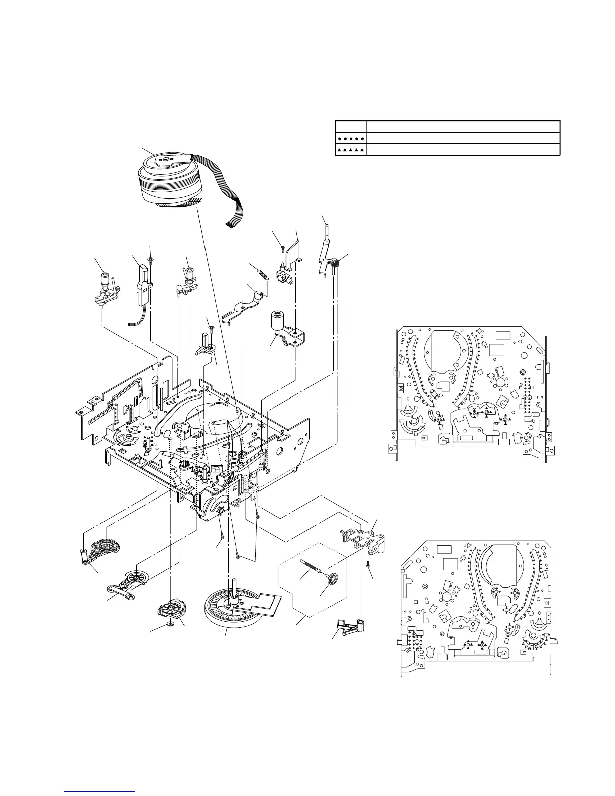
3-1-4 H9500DEX
Some Ref. Numbers are not in sequence.
Chassis Assembly
Top View (Lubricating Point)
Chassis Assembly
Bottom View (Lubricating Point)
B2
B35
B410
B411
B494
B567
L1053
B74
B10
L1191
B73
B9
B12
B492
B11
B571
B37
B126
L1466
B501
B8
B121
L1450
L1450
L1051
L1467
B553
B86
Mark Description
Floil G-684G or Multemp MH-D
(Blue grease)
SLIDUS OIL #150
DECK EXPLODED VIEWS
Deck Mechanism View 1

Related product manuals