EasyManua.ls Logo

FUNAI DRVR-B778 - Page 27

FUNAI DRVR-B778
85 pages
Print Icon
To Next Page IconTo Next Page
To Next Page IconTo Next Page
To Previous Page IconTo Previous Page
To Previous Page IconTo Previous Page
Loading...
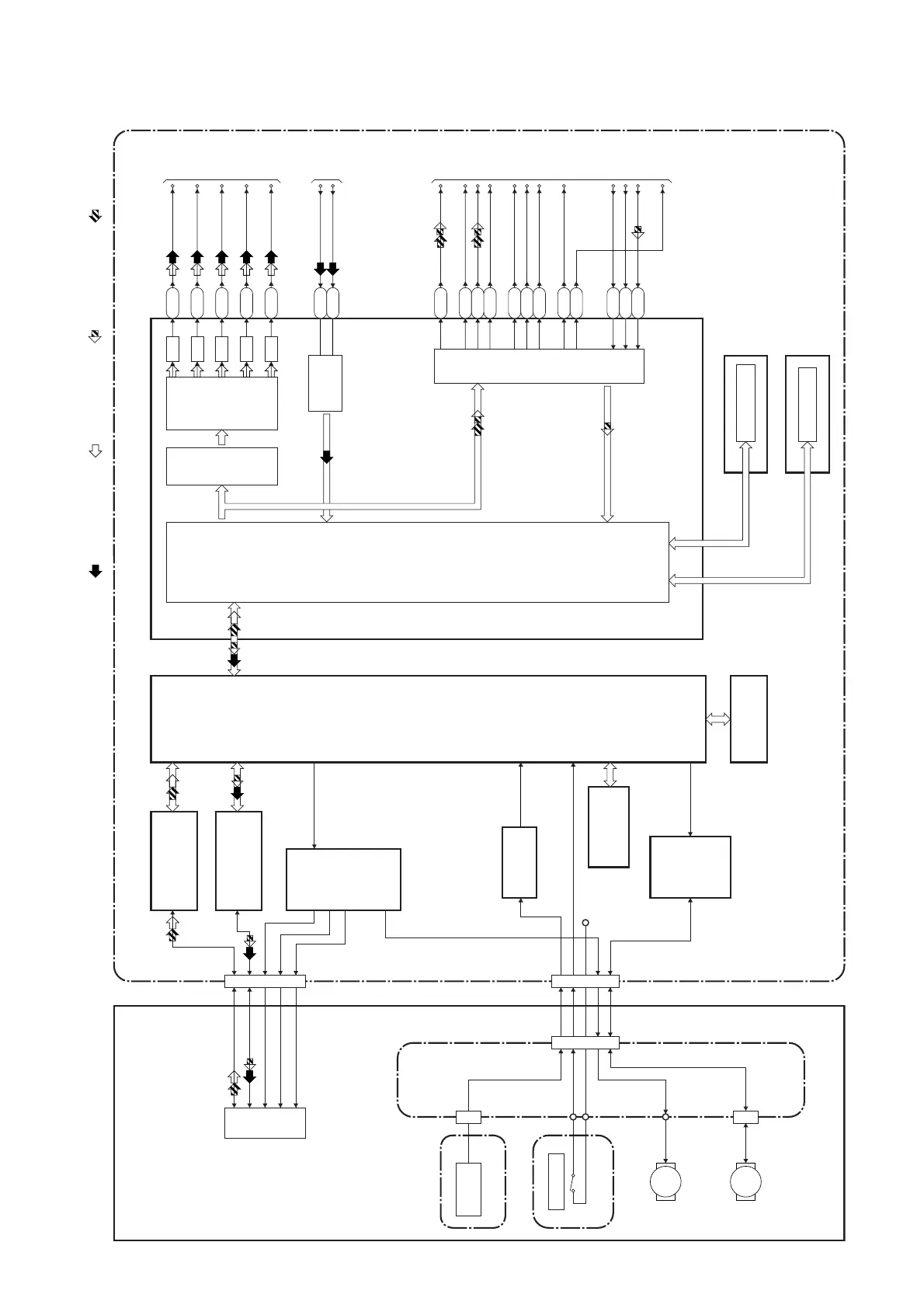
1-11-2
Digital Signal Process Block Diagram
E9712BLD
IC601 (MPEG2 AV CODEC)IC201
IC204
FRONT-END
DIGITAL
SIGNAL
PROCESS
IC101
RF/
ERROR AMP
IC402
MOTOR
DRIVER
MOTOR
DRIVER
IC410
OP AMP
SDRAM
IC401
IC604 (FLASH MEMORY)
DVD MAIN CBA
TO VIDEO
OUTPUT
SELECT
BLOCK
DIAGRAM
TO VIDEO
INPUT
SELECT
BLOCK
DIAGRAM
TO AUDIO
INPUT/
OUTPUT
SELECT
BLOCK
DIAGRAM
SPDIF
BCK
DATA
LRCK
MD
MC
SCK
MS
BCK
DATA
LRCK
SYSCLK
E20
H18
K18
H19
G19
W17
T20
N19
M19
V4
W4
V3
U20
H20
G20
F20
P19
VIDEO-Y(I/P)
VIDEO-C
VIDEO-Cb/Pb
VIDEO-Cr/Pr
VIDEO-Y/CVBS
VIDEO-C
IC202
FLASH
MEMORY
D/A
D/A
D/A
D/A
AUDIO
I/F
VIDEO
ENCODER
BACK-END
DIGITAL
SIGNAL
PROCESS
VIDEO
I/F
FLASH MEMORY
FE
ENCODER
TRAY OPEN
IC602,IC603 (DDR SDRAM)
DDR SDRAM
CN101
DVD MECHANISM
TILT
TRACKING
FOCUS
PICK
-UP
SLED
MOTOR
M
REC VIDEO SIGNAL PB VIDEO SIGNAL REC AUDIO SIGNAL PB AUDIO SIGNAL
LOADER CBA
ENCODER CBA
IC102
LPC
V15
VIDEO
DECODER
CN1001
CN1003
SPINDLE
MOTOR
M
CN1002
RELAY CBA
CN401
+3.3V
J18
VIDEO-Y(I)
D/A
www.freeservicemanuals.info
Digitized in Heiloo Netherland

Related product manuals