EasyManua.ls Logo

FUNAI DRVR-B778 - Page 30

FUNAI DRVR-B778
85 pages
Print Icon
To Next Page IconTo Next Page
To Next Page IconTo Next Page
To Previous Page IconTo Previous Page
To Previous Page IconTo Previous Page
Loading...
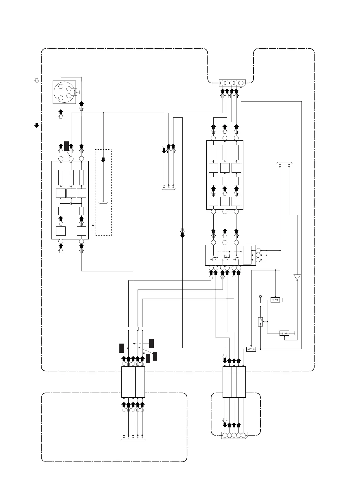
1-11-5
Video Output Select Block Diagram
E9712BLVOS
DVD MAIN CBA
REAR JACK CBA
MAIN CBA
CN601
CN2001
7 7
99
5 5
3 3
VIDEO-Y(I/P)
VIDEO-C
VIDEO-Cb/Pb
VIDEO-Cr/Pr
JK1506
S-VIDEO
OUT
CN1502
3 4
2
1
IC1514 (VIDEO DRIVER)
VIDEO-G IN
JK2-VIDEO-OUT
VIDEO-B IN
VIDEO-R IN
JK2-16P
YC
TO DIGITAL
SIGNAL
PROCESS
BLOCK
DIAGRAM
TO SERVO/SYSTEM CONTROL
BLOCK DIAGRAM
TO VIDEO INPUT SELECT
BLOCK DIAGRAM
TO VIDEO
BLOCK DIAGRAM
REC VIDEO SIGNAL PB VIDEO SIGNAL
WF6
WF7
WF9
WF5
WF4
JK1502
JK2001
IC1515 (VIDEO DRIVER)
5
4dB
AMP
2dB
AMP
LPF DRIVER
6
8dB
AMP
-6dB
DRIVER
4dB
AMP
2dB
AMP
LPF DRIVER
3
1
7
11
VIDEO-Y(I)
VIDEO-Y(I/P)
VIDEO-C
VIDEO-Cb/Pb
VIDEO-Cr/Pr
VIDEO-Y(I)
4dB
AMP
2dB
AMP
LPF DRIVER
11
4dB
AMP
2dB
AMP
LPF DRIVER
6
10
4dB
AMP
2dB
AMP
LPF DRIVER
8
1
15
IC1509 (SW)
SW
CONTROL
Q1531
Q1530
Q1529
P-ON+3.3V
RGB-THROUGH
Q1533
CN1507
14
12
13
15
2
1
4
9 10 11
5
3
VIDEO-G-IN14 14
9 9
VIDEO-B-IN13 13
VIDEO-R-IN15 15
JK2-16P12 12
11
19
15
16
7
VIDEO-G OUT
VIDEO-B OUT
VIDEO-R OUT
JK2-16P
11
JK1-VIDEO-OUT19
15
16
7
Q1527
OUTPUT-SELECT
DVD-VIDEO
DVD-VIDEO(DUB)
(DVD VCR DUBBING)
VIDEO-OUT2
VIDEO-OUT1
JK2-VIDEO-OUT
www.freeservicemanuals.info
Digitized in Heiloo Netherland

Related product manuals