EasyManua.ls Logo

FUNAI DRVR-B778 - Page 41

FUNAI DRVR-B778
85 pages
Print Icon
To Next Page IconTo Next Page
To Next Page IconTo Next Page
To Previous Page IconTo Previous Page
To Previous Page IconTo Previous Page
Loading...
1-12-7
E9712SCM5
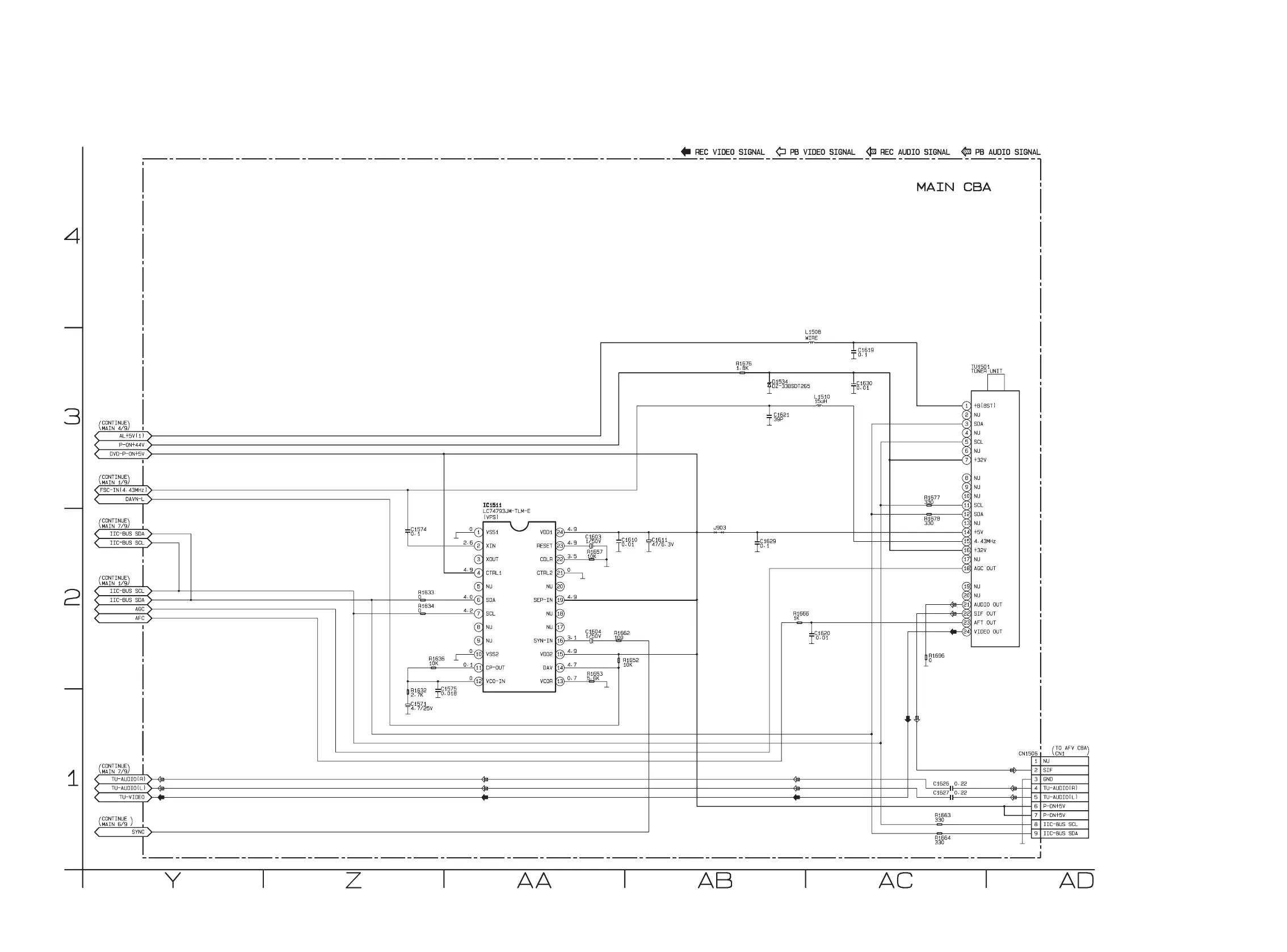
Main 5/9 Schematic Diagram < VCR Section >
www.freeservicemanuals.info
Digitized in Heiloo Netherland

Related product manuals