EasyManua.ls Logo

FUNAI DRVR-B778 - Page 48

FUNAI DRVR-B778
85 pages
Print Icon
To Next Page IconTo Next Page
To Next Page IconTo Next Page
To Previous Page IconTo Previous Page
To Previous Page IconTo Previous Page
Loading...
1-12-14
E9712SCAFV
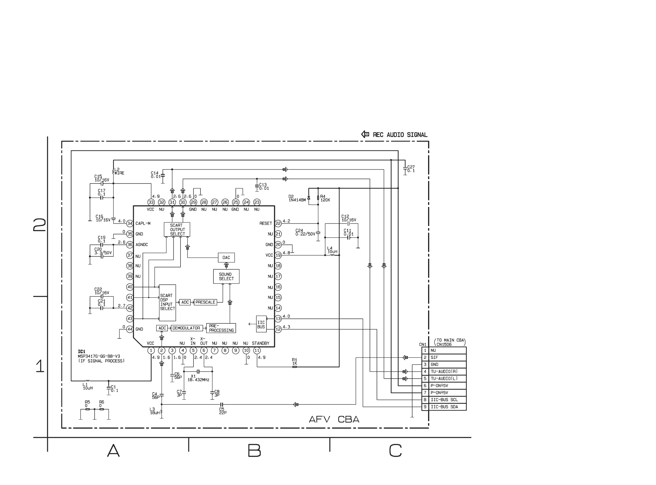
AFV Schematic Diagram < VCR Section >
www.freeservicemanuals.info
Digitized in Heiloo Netherland

Related product manuals