EasyManua.ls Logo

FUNAI LC195SLX - Inverter Block Diagram

FUNAI LC195SLX
250 pages
Print Icon
To Next Page IconTo Next Page
To Next Page IconTo Next Page
To Previous Page IconTo Previous Page
To Previous Page IconTo Previous Page
Loading...
9-6
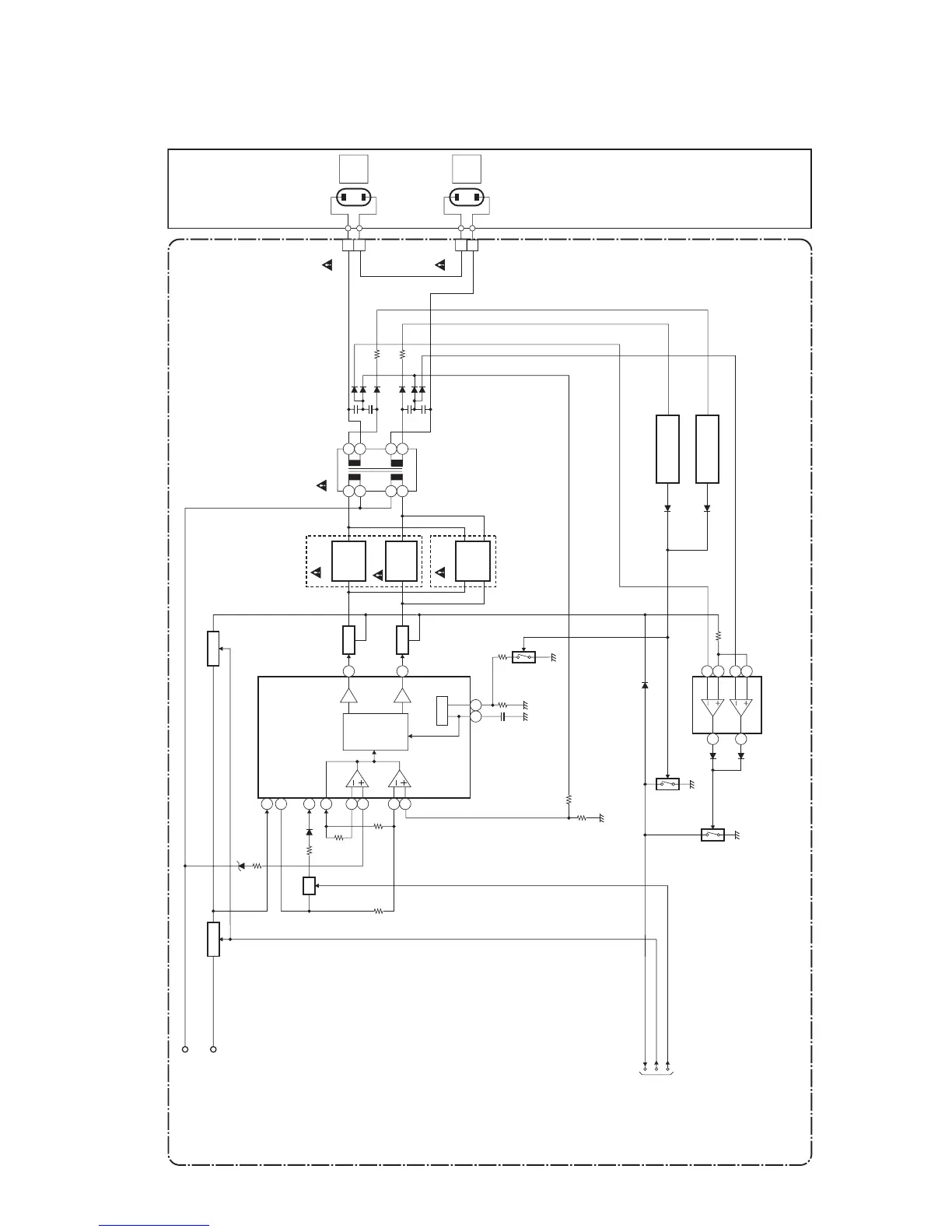
Inverter Block Diagram
[LC195SLX, LC195EMX, LC195SSX, 19MF339B/F7]
A91N3BLINV
MAIN CBA
PROTECT3
BACKLIGHT-ADJ
BACKLIGHT-SW
TO
SYSTEM
CONTROL
BLOCK
DIAGRAM
IC1001(PWM CONTROL)
BACK
LIGHT
1
2
CN1002
Q1001,
Q1007,
Q1016
Q1014
Q1005
Q1004,Q1006,
Q1008,Q1012
Q1002,
Q1011
Q1023,
Q1024
Q1022
DRIVE
Q1010,
Q1017,
Q1018
DRIVE
OSC
PWM
CONTROL
LOGIC
VCC
DTC
CURRENT
CONTROL
SWITCH
CURRENT
CONTROL
SWITCH
Q1009
OVER VOLTAGE
PROTECTOR
Q1015
OVER VOLTAGE
PROTECTOR
11
8
5 6
15
3
4
VREF
14
12
16
2
1
SW+16V
SW
SW+16V
Q1019
Q1003
LCD MODULE
ASSEMBLY
T1002
4
1
3
7
8
6
5
2
BACK
LIGHT
1
2
CN1001
IC1002
(COMPARATOR)
6
7
5
2
3
1
PANEL+15V
INV+31V
Q1005
CURRENT
CONTROL
SWITCH
*1
*2
*1 LC195SLX (Serial No. : DS1A**********),
LC195EMX (Serial No. : DS1A**********),
LC195SSX (Serial No. : DS1A**********)
*2 LC195SLX (Serial No. : DS2A**********, DS3A**********, DS4A**********,
TH3A**********, TH4A**********, TH5A********** ,TH6A**********),
LC195EMX (Serial No. : DS2A**********, DS3A**********, DS4A**********,
TH3A**********, TH4A**********, TH5A**********, TH6A**********)
LC195SSX (Serial No. : DS2A**********),
19MF339B/F7

Related product manuals